Foram encontradas 540 questões.
O processo descrito é nomeado como
Provas
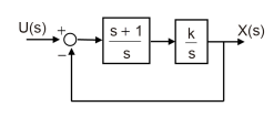
Considere o sistema de controle em malha fechada, dado pelo diagrama de blocos a seguir.

A função de transferência de malha fechada
é
Provas
Considere uma função de transferência de um controlador PID, realizável por um circuito ou sistema analógico, na forma de polos e zeros finitos dependentes dos ganhos proporcional, integral e derivativo.
Essa função é dada por
Provas
Esse sistema, que gera um erro em regime permanente constante, é do tipo
Provas
Considere que esse sistema será utilizado para medir sinais de pressão de pequena amplitude, com frequência em torno de 2 Hz.
Nesse caso, qual transdutor deverá ser utilizado?
Provas
Admita que, na tela de um osciloscópio, foi visualizada uma saída do sistema na forma de função cossenoidal, e que foi medida uma pressão periódica com perfil senoidal.
Nesse contexto, qual transdutor está sendo utilizado?
Provas
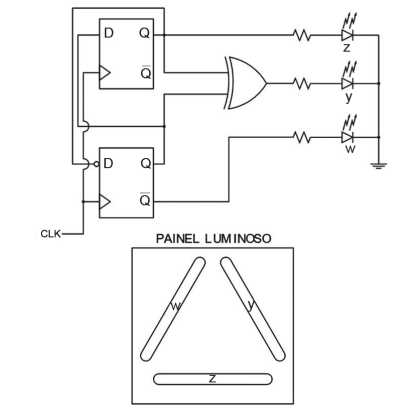
O circuito digital a seguir é utilizado para implementar um painel luminoso que contém três LEDs, indicados por w, y e z, dispostos em 3 segmentos que formam um triângulo, conforme mostra a Figura:

Considerando-se que CLK é uma onda quadrada de frequência da ordem de unidades de hertz (Hz), que ambos os flip-flops D são inicializados com Q = 0 e que um LED acionado é representado por seu segmento correspondente preenchido, a sequência correta de acionamento dos LEDs é a
Provas
Considerando-se os protocolos de comunicação industriais, o único cuja arquitetura é implementada com base no padrão Ethernet é o
Provas
Os principais elementos utilizados para representar as estruturas lógicas implementadas nos rungs dos diagramas ladder são
Provas
Sabendo-se que o diodo utilizado no circuito também é considerado ideal com uma barreira de potencial de 0,5 V, ao aplicar-se um sinal de entrada vi (t) senoidal de 1 V de pico, o sinal de saída vo (t) excursionará , em volts, entre
Provas
Caderno Container