Foram encontradas 1.320 questões.
Os cromatógrafos são analisadores utilizados em instrumentação analítica e que permitem estudar a composição de uma amostra.
A cromatografia
Provas
Um reservatório de grandes dimensões é utilizado para mover uma turbina com rendimento de 70%. Se o fluido utilizado é a água, que escoa sob uma vazão de 5 L/s, e a altura manométrica da turbina é igual a 10 m, então, o valor da potência da turbina, em kW, é
Dados
Aceleração da gravidade local = 10 m/s2
Peso específico da água = 10.000 N/m3
Área da tubulação = 15 cm2
Provas
Um técnico, ao decidir pela instalação de uma válvula de controle do tipo diafragma, deve ter em mente suas principais vantagens. Uma dessas vantagens é apresentar
Provas
Um fluido escoa por um conduto novo feito de ferro fundido, revestido de asfalto e diâmetro interno igual a 20 mm.
Se o número de Reynolds para esse escoamento for igual a 1.600, o coeficiente de perda de carga será
Provas

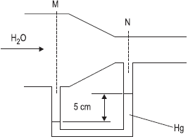
Para medir a vazão em um trecho de tubulação, um técnico instalou o Venturi ilustrado, onde a água escoa em regime permanente, as propriedades do fluido são uniformes nas seções e as perdas de carga, desprezíveis. Essa vazão é proporcional à diferença de pressão entre as seções M e N.
Tal diferença de pressão, em kPa, vale
Dados
Área da seção M = 30 cm2
Área da seção N = 10 cm2
Peso específico do mercúrio = 136.000 N/m3
Peso específico da água = 10.000 N/m3
Aceleração da gravidade local = 10 m/s2
Provas
Disciplina: Segurança e Saúde no Trabalho (SST)
Banca: CESGRANRIO
Orgão: Transpetro
A NR 20 classifica as instalações de uma indústria petroquímica como de Classe
Provas

Um sistema de controle realimentado com um controlador PID apresenta a resposta ao degrau unitário mostrada na figura acima. Após uma mudança na sintonia do controlador, o sistema em malha fechada apresentou a resposta ao degrau unitário abaixo.

Analisando as figuras, conclui-se que o(s)
Provas

A figura acima mostra a resposta ao degrau unitário do sistema em malha fechada, mostrado na figura a seguir.

O percentual de ultrapassagem e o erro de estado estacionário valem, respectivamente,
Provas
Uma equipe de projeto decide instalar duas válvulas de alívio em um tanque, aumentando o nível de integridade do sistema para 3. Com isso, pretende-se que a probabilidade de falha sob demanda seja de 0,05%. Esse sistema passará a ter um fator de redução de risco igual a
Provas
A rede Bitbus é composta por nós que se comunicam pela transmissão de mensagens.
Observe as afirmativas a seguir.
I - Em cada nível de uma rede Bitbus, só pode haver um mestre, que controla o acesso à rede mediante um protocolo do tipo pergunta-resposta.
II - Em uma rede Bitbus, o nó escravo só pode ser conectado a um mestre ou a um bloco de entradas e saídas.
III - A rede Bitbus baseia-se em uma linha compartilhada tipo RS-485.
Está correto o que se afirma em
Provas
Caderno Container