Foram encontradas 968 questões.
- Conceitos BásicosFundamentos de Segurança da Informação
- Conceitos BásicosPrincípiosAutenticidade
- Conceitos BásicosPrincípiosConfidencialidade
- Conceitos BásicosPrincípiosIntegridade
( ) o termo INTEGRIDADE é caracterizado por uma situação em que a informação deve estar correta, ser verdadeira e não estar corrompida. ( ) o termo AUTENTICAÇÃO é caracterizado por uma situação que garante a um usuário ser quem de fato alega ser. ( ) o termo CONFIDENCIALIDADE é caracterizado pela situação que garante a um sistema estar aderente à legislação pertinente.
As afirmativas são, respectivamente,
Provas
Provas
- Modelo TCP/IPModelo TCP/IP: Camada de Transporte
- TCP/IPTCP: Transmission Control Protocol
- TCP/IPUDP: User Datagram Protocol
Provas
Provas
- Protocolos e ServiçosInternet e EmailHTTP: Hyper Text Transfer Protocol
- Protocolos e ServiçosTransferência de ArquivosFTP: File Transfer Protocol
I. O principal protocolo utilizado no acesso a sites da Internet por meio de browsers é o FTP. II. Dois protocolos de comunicação utilizados no serviço de e-mail por meio do Outlook Express são o SMTP e o POP3. III. O principal protocolo utilizado no serviço anônimo de transferência de arquivos pela Internet é o HTTP. Assinale:
Provas
A figura a seguir mostra a topologia de uma LAN, com acesso à Internet.

No que diz respeito ao aspecto físico, a topologia e o conector padrão utilizados nas LAN's são, respectivamente
Provas

Esse modo de operação é denominado
Provas
Na figura a seguir são apresentados cinco sinais.

O primeiro é de um sinal digital a ser transmitido.O segundo é uma onda portadora a ser modulada.
As ondas A, B e C são ondas portadoras moduladas, respectivamente, em
Provas
- EletromagnetismoElétricaAssociação de Resistores
- EletromagnetismoElétricaCircuitos Elétricos Especiais: Leis de Kirchhoff e Ponte de Wheatstone
- EletromagnetismoElétricaEletricidade
- EletromagnetismoElétricaResistores e Potência Elétrica

O circuito elétrico acima alimenta uma resistência de carga (Rcarga). Este circuito é dotado de dispositivo de chaveamento por meio de um SCR. As chaves Ch A e Ch B, no circuito, encontram-se abertas.
A resistência de Rg para permitir o disparo do SCR com a máxima corrente de gatilho, após o fechamento de Ch A e Ch B e a potência solicitada pela resistência de carga são, em Ohms e Watts, respectivamente, iguais a
Provas
- EletromagnetismoElétricaAssociação de Resistores
- EletromagnetismoElétricaCircuitos Elétricos Especiais: Leis de Kirchhoff e Ponte de Wheatstone
- EletromagnetismoElétricaEletricidade
- EletromagnetismoElétricaResistores e Potência Elétrica
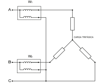
Analise a afigura a seguir.

A figura acima apresenta um esquema para medição de potência trifásica de uma carga trifásica equilibrada. Esse esquema é composto de dois wattímetros ligados conforme a figura, cujas leituras são W1 e W2.
As potências trifásicas ativa e reativa são respectivamente iguais a
Provas
Caderno Container