Foram encontradas 1.195 questões.
A chave seccionadora é um dos equipamentos que integram
as subestações de alta-tensão em sistemas de geração,
transmissão e distribuição de energia elétrica. A finalidade
desse equipamento é
Provas
Questão presente nas seguintes provas
De acordo com normas do Operador Nacional do Sistema
(ONS), para uma subestação com isolamento a ar, classe
de tensão igual a 230 kV e que seja de uso exclusivo de
agente de geração, de importação/exportação ou
consumidor com conexão às instalações sob
responsabilidade de concessionária de transmissão, o
arranjo de barramento adotado deve ser:
Provas
Questão presente nas seguintes provas
Os transformadores trifásicos de distribuição passam por
ensaios para determinação de parâmetros e de algumas
características operacionais antes de serem colocados em
operação. O ensaio em que se compara a tensão do
transformador com e sem carga é destinado a medir:
Provas
Questão presente nas seguintes provas
Considere uma máquina de corrente contínua, com
excitação independente, operando a vazio com tensões
nominais de campo e de armadura. Se a corrente de campo
for interrompida, a velocidade do motor:
Provas
Questão presente nas seguintes provas
Na comparação de materiais isolantes e condutores, usando
os conceitos de banda de valência e banda proibida, vemos
que a banda de valência
Provas
Questão presente nas seguintes provas
No processamento de sinais, o processo de amostragem
consiste na conversão de um sinal contínuo no tempo em
um sinal de tempo discreto. Esse processo é regido pelo
Teorema de Nyquist, que, se obedecido, permite que o sinal
original possa ser reconstruído a partir do sinal amostrado.
De acordo com esse teorema, a menor frequência teórica
admissível, denominada frequência de Nyquist, para a
amostragem de um sinal de 10 kHz é de:
Provas
Questão presente nas seguintes provas
3138931
Ano: 2024
Disciplina: TI - Organização e Arquitetura dos Computadores
Banca: Verbena
Orgão: TJ-AC
Disciplina: TI - Organização e Arquitetura dos Computadores
Banca: Verbena
Orgão: TJ-AC
Um dos componentes fundamentais de um computador é a
memória RAM, traduzida do inglês como Memória de
Acesso Aleatório. SRAM e DRAM são dois tipos de memória
RAM que se diferenciam no aspecto construtivo, no custo,
na velocidade de acesso, dentre outros. Comparada com a
memória SRAM, a memória DRAM:
Provas
Questão presente nas seguintes provas
No processo de transmissão de dados analógicos e digitais,
um processo fundamental é a modulação, que consiste em
utilizar uma onda eletromagnética para transportar a
informação desejada. Nesse processo, a portadora e a
informação (sinal modulante) podem ser analógicas ou
digitais. Um exemplo de modulação que usa portadora
analógica e informação digital é a:
Provas
Questão presente nas seguintes provas
Na nomenclatura de conversores CC-CC, o conversor
abaixador de tensão que apresenta isolação galvânica entre
a tensão de entrada e a tensão de saída é denominado
conversor:
Provas
Questão presente nas seguintes provas
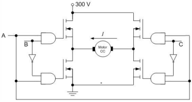
O circuito a seguir é uma forma simplificada de uma ponte H, com um sistema de controle das chaves de potência, através de portas lógicas, e sem os diodos de retorno.

O sinal de controle (A, B, C) que resulta em passagem da corrente I no sentido indicado é:
Provas
Questão presente nas seguintes provas
Cadernos
Caderno Container