Foram encontradas 470 questões.
Disciplina: Administração de Recursos Materiais
Banca: CESGRANRIO
Orgão: TERMOBAHIA
Uma distribuidora de peças compra, de uma fábrica, calotas para automóveis a um preço unitário de R$ 10,00. A estimativa de vendas de calotas é de 50.000 unidades anuais, e seu custo anual unitário de posse em estoque é de R$ 2,00.
Se o custo para fazer o pedido ao fornecedor é de R$ 20,00, qual o número de pedidos que serão efetuados num ano, considerando-se o modelo de lote econômico?Provas
De acordo com a NBR 12779, toda mangueira de incêndio deve ser inspecionada e submetida a manutenção e ensaio hidrostático. Esses serviços requerem condições e equipamentos adequados e deverão ser realizados por empresa capacitada.
Quais são, respectivamente, os prazos de execução determinados para essa inspeção e para essa manutenção e ensaio hidrostático?Provas
Os no-breaks comerciais são encontrados, normalmente, com alimentação monofásica e trifásica. As principais topologias de construção são: standby, linha interativa, ferro ressonante e online, cujas tipologias e configurações podem variar conforme o fabricante.
O diagrama abaixo representa um no-break tipo online.

Nessa representação,
Provas
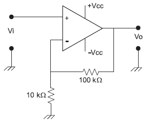
O circuito mostrado abaixo é constituído de componentes ideais e representa um amplificador não inversor

Qual o ganho de tensão Av = Vo/Vi?
Provas
Um eletricista de manutenção trabalha, em seu dia a dia, com plantas envolvendo dispositivos como transformadores chaves e disjuntores, dentre outros.
A seguir são apresentados alguns desses dispositivos.
1. Chave reversora
2. Chave seccionadora com abertura sem carga
3. Disjuntor a óleo
4. Disjuntor a seco
5. Transformador de potência
Qual símbolo representa, adequadamente, cada um desses equipamentos, sabendo-se que não foram informados, propositalmente, os valores nominais de cada um deles?
| 1 | 2 | 3 | 4 | 5 |
Provas
O diagrama lógico mostrado abaixo é composto de três portas lógicas com duas entradas e uma saída e dois inversores. As entradas lógicas do diagrama são representadas por A e B, e a saída, por S.

Qual a função lógica representada na saída?
Provas
Disciplina: Segurança e Saúde no Trabalho (SST)
Banca: CESGRANRIO
Orgão: TERMOBAHIA
Uma distribuidora de produtos químicos realizou operação de envasamento de formaldeído (formol), cujo Valor de Teto Máximo é de 1,6 ppm.
Para monitorar o ambiente de trabalho, utilizando bomba com tubos colorimétricos de avaliações de concentrações instantâneas, deve(m)-seProvas
Um eletricista de manutenção precisa substituir todo o circuito mostrado a seguir apenas por um resistor equivalente, entre os pontos A e B desse circuito.

Que valor deverá ter, em ohms, esse resistor?
Provas
Sobre um cilindro oco de 40 cm de comprimento é enrolado um fio condutor, formando 100 espiras, pelo qual circula uma corrente de 1A, criando-se, assim, um solenoide.
Sabendo-se que a permeabilidade do meio é \( \mu = 4 \pi 10^{-7} Hm^-1 \), a indução magnética em microtesla é
Provas
Disciplina: Segurança e Saúde no Trabalho (SST)
Banca: CESGRANRIO
Orgão: TERMOBAHIA
Um Técnico de Segurança do Trabalho da construção civil foi encarregado de realizar a medição do ruído de impacto emitido por equipamento de bate-estaca. Para isso utilizou medidor de pressão sonora que não dispõe de circuito de resposta para impacto.
O técnico deverá realizar a programação do seu equipamento para operar emProvas
Caderno Container