Foram encontradas 1.018 questões.
1879936
Ano: 2015
Disciplina: Engenharia de Telecomunicações
Banca: CESPE / CEBRASPE
Orgão: TELEBRAS
Disciplina: Engenharia de Telecomunicações
Banca: CESPE / CEBRASPE
Orgão: TELEBRAS
A respeito de ruído, julgue o seguinte item.
Quanto maior for a relação sinal-ruído, menor será a influência prejudicial do ruído no sinal de interesse.
Provas
Questão presente nas seguintes provas
A modelagem matemática de um sistema dinâmico é um conjunto de equações que representa a dinâmica do sistema com precisão. Acerca desse assunto, julgue o item subsecutivo.
Todo sistema possui um modelo matemático próprio e único.
Provas
Questão presente nas seguintes provas

Considerando que a tabela apresentada ilustra medições de corrente e de tensão realizadas por um operador de máquinas, e que os valores esperados das medidas da corrente e da tensão são, respectivamente, 15,0 A e 380,0 V, julgue o item que se segue.
A exatidão das medidas de tensão é maior que a das medidas de corrente.
Provas
Questão presente nas seguintes provas

Considerando que a tabela apresentada ilustra medições de corrente e de tensão realizadas por um operador de máquinas, e que os valores esperados das medidas da corrente e da tensão são, respectivamente, 15,0 A e 380,0 V, julgue o item que se segue.
As medidas de corrente apresentam maior precisão que as medidas de tensão.
Provas
Questão presente nas seguintes provas

Considerando que a tabela apresentada ilustra medições de corrente e de tensão realizadas por um operador de máquinas, e que os valores esperados das medidas da corrente e da tensão são, respectivamente, 15,0 A e 380,0 V, julgue o item que se segue.
A precisão das medidas poderá aumentar se forem reduzidos os erros grosseiros, ao passo que a exatidão das medidas poderá aumentar se forem eliminados os erros sistemáticos e minimizados os erros grosseiros.
Provas
Questão presente nas seguintes provas

Com base na tabela apresentada, julgue o próximo item a respeito de medição e de erro.
Se um operador, ao medir a temperatura de um motor durante sua jornada de trabalho, obtiver os dados apresentados na tabela, então será correto afirmar que o operador cometeu um erro classificado como sistemático.
Provas
Questão presente nas seguintes provas

UIaby. Eletromagnetismo para Engenheiros. 2007, p. 304.
A figura representa duas linhas de transmissão sem perdas, conectadas entre si no ponto z = 0. A impedância característica da linha 1 é Z01, e a impedância característica da linha 2, infinitamente longa, é Z02.
Com base nessas informações, julgue o item a seguir.
O coeficiente de reflexão na fronteira, observando-se da linha 1 para a linha 2, é dado por !$ \Gamma={\large Z_{01}-Z_{02}\over\large Z_{01}+Z_{02}}. !$
Provas
Questão presente nas seguintes provas
Julgue o item seguinte, no que se refere a transistor bipolar e transistor de junção por efeito de campo (JFET).
O transistor JFET caracteriza-se como um transistor unipolar. Na prática, ele é controlado por tensão, ao passo que um transistor bipolar é controlado por corrente.
Provas
Questão presente nas seguintes provas

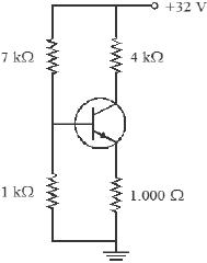
Se, na configuração do circuito apresentado, βCC for igual a 100 e a tensão entre a base e o emissor for igual a 0,7 V, então
a tensão no coletor será superior a 15 V.
Provas
Questão presente nas seguintes provas

Considerando o circuito com transistor bipolar representado na figura em que βCC é igual a 200 e a tensão base-emissor é igual a 0,7 V, julgue o próximo item.
O valor da corrente de saturação do coletor é superior a 15 mA.
Provas
Questão presente nas seguintes provas
Cadernos
Caderno Container