Foram encontradas 1.018 questões.
1879999
Ano: 2015
Disciplina: Engenharia de Telecomunicações
Banca: CESPE / CEBRASPE
Orgão: TELEBRAS
Disciplina: Engenharia de Telecomunicações
Banca: CESPE / CEBRASPE
Orgão: TELEBRAS
Julgue o item que se segue de acordo com o Regimento Interno da TELEBRAS.
Entre as atribuições da gerência fiscal e de controle está coordenar a prestação de contas da TELEBRAS ao TCU.
Provas
Questão presente nas seguintes provas
1879998
Ano: 2015
Disciplina: Engenharia de Telecomunicações
Banca: CESPE / CEBRASPE
Orgão: TELEBRAS
Disciplina: Engenharia de Telecomunicações
Banca: CESPE / CEBRASPE
Orgão: TELEBRAS
Julgue o item que se segue de acordo com o Regimento Interno da TELEBRAS.
Cabe à gerência de planejamento técnico propor políticas de distribuição de dividendos da TELEBRAS.
Provas
Questão presente nas seguintes provas
Julgue o item que se segue acerca de improbidade administrativa.
No caso de ato de improbidade administrativa que traga prejuízo ao erário, a responsabilidade do agente público envolvido será objetiva se ficar comprovado que o agente era flagrantemente incompetente para praticar o referido ato.
Provas
Questão presente nas seguintes provas
Julgue o seguinte item, a respeito de fontes alternativas de energia.
O aumento da temperatura ambiente tende a reduzir a eficiência de uma célula fotovoltaica.
Provas
Questão presente nas seguintes provas
Julgue o seguinte item, a respeito de fontes alternativas de energia.
O Sol pode ser utilizado para gerar energia mediante um concentrador solar associado a uma turbina a vapor conectada a um gerador.
Provas
Questão presente nas seguintes provas
Com relação aos circuitos trifásicos, julgue o item subsequente.
Em um sistema trifásico equilibrado, a soma fasorial das tensões é igual a zero.
Provas
Questão presente nas seguintes provas
Com relação aos circuitos trifásicos, julgue o item subsequente.
Ao se transformar uma carga trifásica equilibrada de triângulo para estrela, a impedância será triplicada.
Provas
Questão presente nas seguintes provas
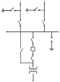
A respeito dos arranjos de subestação, julgue o próximo item.
O esquema de subestação ilustrado a seguir apresenta um barramento duplo devido às duas entradas.

Provas
Questão presente nas seguintes provas
A respeito dos arranjos de subestação, julgue o próximo item.
Uma subestação receptora formada por apenas uma entrada e um transformador exige o uso do esquema de barramento simples.
Provas
Questão presente nas seguintes provas
Julgue o item subsecutivo, acerca dos equipamentos de manobra.
Os transformadores de potencial do grupo 2 são projetados para ligação entre fase-neutro de sistemas diretamente aterrados.
Provas
Questão presente nas seguintes provas
Cadernos
Caderno Container