Foram encontradas 400 questões.
Assinale a alternativa incorreta referente a ações de controle e modos de acionamento.
Provas
Processo cujo produto final é obtido em uma quantidade determinada após todo o ciclo. A entrada de novas matérias-primas só se dará após o encerramento desse circuito. É também conhecido como processo de batelada. Trata-se de processo
Provas
Em relação ao diagrama de blocos, marque V para verdadeiro ou F para falso e, em seguida, assinale a alternativa que apresenta a sequência correta.
( ) Diagrama de blocos de um sistema é uma representação das funções desempenhadas por cada componente e do fluxo de sinais.
( ) Os componentes principais de um sistema são representados por blocos e são integrados por meio de linhas que indicam os sentidos de fluxos de sinais entre os blocos.
( ) Os diagramas são utilizados para representar as relações de dependência entre as variáveis que interessam à cadeia de controle.
Provas

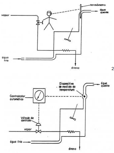
As figuras se tratam de, respectivamente,
Provas
Uma combinação de componentes que agem conjuntamente para completar uma função não possível para quaisquer das partes individuais. Esta definição aplica-se à(ao)
Provas
Em relação às noções de controle, correlacione os itens da Coluna A com suas respectivas características na Coluna B e, em seguida, assinale a alternativa que apresenta a sequência correta.
| COLUNA A |
COLUNA B |
| 1. Controlador. |
( ) Saída do controlador, que é aplicada como entrada ao sistema. |
| 2. Sinal de controle. |
( ) Entrada do controlador, que diz respeito a alguma saída do sistema. |
| 3. Sinal de referência. |
( ) Aplica uma entrada ao sistema para que este cumpra a sua função. |
Provas
Observe a figura abaixo para responder a questão.

Pode-se afirmar que se trata de um
Provas
A respeito das medições e testes, analise as assertivas abaixo.
I. O instrumento “carrega o circuito” e a voltagem medida não reflete fielmente a voltagem no circuito sem estar ligado ao instrumento.
II. Em medidas de voltagem, é sempre necessário que o módulo da impedância interna !$ |Z_{int}| !$ do instrumento de medição seja menor que o da impedância do circuito.
III. Se forem medidas voltagens com um osciloscópio de !$ |Z_{int}| !$ = 1M sobre um resistor de 47 em um circuito de corrente contínua, não é preciso se preocupar com o resto do circuito, já que “o resto” está em paralelo com este resistor e a resistência equivalente será sempre maior ou igual que os 47!$ Ω !$.
É correto o que se afirma em
Provas
Observe a figura abaixo, que apresenta um esquema da linha de alimentação de um laboratório, para responder a questão.

Assinale a alternativa correta quanto à interpretação da figura.
Provas
Observe as figuras abaixo para responder a questão .

Assinale a alternativa correta.
Provas
Caderno Container