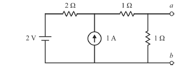
Com base no circuito elétrico mostrado na figura acima, julgue os itens que se seguem.
O modelo equivalente de Thévenin desse circuito entre os
terminais a e b é formado por uma fonte de tensão de 1 V
conectada em série com uma resistência inferior a 1 Ω.
Com base no circuito elétrico mostrado na figura acima, julgue os itens que se seguem.
De acordo com o princípio da superposição, somente a fonte
de tensão contribui para o valor da corrente total que flui em
caso de curto-circuito entre os terminais a e b.
A figura acima ilustra características operacionalmente viáveis de conjugado versus rotação do eixo para quatro diferentes tipos de motores identificados por I, II, III e IV. Com base nessas informações, julgue os itens seguintes.
O motor II apresenta característica que mais se assemelha à de
funcionamento de um motor CC com campo em derivação
(campo shunt).
A figura acima ilustra características operacionalmente viáveis de conjugado versus rotação do eixo para quatro diferentes tipos de motores identificados por I, II, III e IV. Com base nessas informações, julgue os itens seguintes.
O motor IV apresenta características típicas de motores de
indução com rotor bobinado, ao passo que o motor I tem
características de motores de indução em gaiola.
Um transformador monofásico ideal supre uma carga conectada ao
seu secundário. A carga consome 5 kVA com fator de potência
indutivo igual a 0,95 e sob tensão de 200 V. Com base nessas
informações e considerando que o primário tenha o dobro de
espiras do secundário, julgue o item abaixo.
A magnitude da corrente no primário do transformador é igual
à metade da magnitude da corrente no secundário,
independentemente do fator de potência da carga.