Foram encontradas 25 questões.
Assinale a forma de execução indireta de obras e serviços em desconformidade com o que preceitua a Lei de Licitações – Lei Nº. 8.666/93:
Provas
Considerando que a Secretaria de Segurança Pública e Administração Penitenciária do Estado de Goiás tenha divulgado a realização de processo licitatório com vistas à contratação de bens e serviços de informática cujo valor justificaria a realização de tomada de preços, assinale a alternativa CORRETA:
Provas
Aplicações de circuitos elétricos podem cada vez mais serem encontradas no nosso dia a dia. Um exemplo é o desembaçador do vidro traseiro dos veículos automotores que utilizamos todos os dias, composto por condutores pintados sobre o vidro com uso de tinta resistiva conforme a ilustração abaixo e ao lado seu circuito equivalente. Nesse caso, para se obter os resultados desejados, é necessário que o circuito tenha sido projetado para que ocorra dissipação de potência de mesma quantidade em cada um dos sete seguimentos no valor de 0,1 W/mm.

Assinale a alternativa que apresenta os valores CORRETOS de R1, R2 e R3 para que a exigência de projeto seja cumprida:
Provas
São situações que promovem a extinção do contrato administrativo, EXCETO uma:
Provas
Disciplina: Atualidades e Conhecimentos Gerais
Banca: SEGPLAN-GO
Orgão: SSP GO
Com discurso modernizante, Pedro Ludovico Teixeira, então governador de Goiás, promoveu a transferência da capital do Estado para Goiânia. A promessa era que a nova capital seria moderna, planejada e conectada ao centro-sul do país. Sobre Goiânia é CORRETO afirmar:
Provas
Leia os trechos dos textos abaixo:
[...] Solidão é uma ilha com saudade de barco.
[...]Vontade é um desejo que cisma que você é a casa dele.[...]
Falcão, Adriana. Mania de explicação. São Paulo: Salamandra, 2001.p.17,27
Solidão [...] estado de quem se acha ou se sente
desacompanhado ou só; isolamento […]
Vontade [...] faculdade que tem o ser humano de querer, de escolher, de livremente praticar ou deixar de praticar certos atos [...]
HOUAISS, Antônio; VILLAR, Mauro de Salles. Dicionário Houaiss da língua portuguesa.
1.ed. Rio de Janeiro: Objetiva, 2009. p.1766,1959.
As funções da linguagem predominantes nesses trechos dos textos são:
Provas
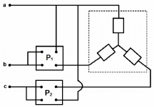
Uma rede trifásica a três fios equilibrada, com sequência abc, alimenta uma carga trifásica indutiva balanceada. Qual dos diagramas abaixo NÃO APRESENTA um esquema válido para obtenção da potência ativa trifásica dessa carga?
Provas
- Lei de Responsabilidade FiscalDívida e Endividamento (arts. 29 ao 42)Definições, Limites e Recondução da Dívida (arts. 29 ao 31)
À luz da Lei de Responsabilidade Fiscal – Lei Complementar Nº. 101/2000, referente ao tema “Limites da Dívida Pública”, assinale a alternativa INCORRETA:
Provas
Disciplina: Atualidades e Conhecimentos Gerais
Banca: SEGPLAN-GO
Orgão: SSP GO
Pesquisas realizadas recentemente apontam que, para os brasileiros, o desemprego é o principal problema do país. Segundo dados do Instituto Brasileiro de Geografia e Estatística (IBGE) o desemprego no Brasil chegou a 13,7%, em média, no primeiro trimestre de 2017, sendo a mais alta taxa para trimestres desde que o instituto começou a publicar a pesquisa, em 2012. Sobre esta questão, é CORRETO afirmar:
Provas
Na NBR 5419/2015 – Proteção de Estruturas contra Descargas Atmosféricas – o nível de proteção é um termo de classificação de um SPDA que denota sua eficiência. De acordo com essa norma:
Provas
Caderno Container