Magna Concursos

Foram encontradas 447 questões.

363138 Ano: 2009
Disciplina: Engenharia Eletrônica
Banca: CESGRANRIO
Orgão: SFE-RJ
Provas:

Com relação à arquitetura PC padrão, é INCORRETO afirmar que

 

Provas

Questão presente nas seguintes provas
363137 Ano: 2009
Disciplina: Engenharia Eletrônica
Banca: CESGRANRIO
Orgão: SFE-RJ
Provas:

Enunciado 363137-1

Deseja-se efetuar a medida de uma resistência desconhecida (Rx), improvisando-se o processo mostrado na figura acima. Usa-se uma pilha de 1,5 V alimentando um pedaço de fio resistivo homogêneo de 50 cm esticado ao lado de uma régua milimetrada (segmento XY). Um cursor C mantém contato com o fio resistivo e o amperímetro A indica a presença de corrente entre os pontos Z e C. O método consiste em deslocar o cursor sobre o fio resistivo até zerar a corrente no amperímetro. Feita a experiência, verificouse que a distância YC foi de 35 cm.

O valor de Rx, em \( \Omega \), é:

 

Provas

Questão presente nas seguintes provas
363136 Ano: 2009
Disciplina: Engenharia Eletrônica
Banca: CESGRANRIO
Orgão: SFE-RJ
Provas:

Considere a arquitetura implementada a seguir.

entity CONTADOR is
port (CLK, EN, CLR, LOAD, UP: in std_logic;
D: in std_logic_vector (3 downto 0);
Q: out std_logic_vector (3 downto 0));
end CONTADOR;

architecture comportamento of CONTADOR is
signal CONT: std_logic_vector (3 downto 0);
begin
process (CLK)
begin
if (CLK’event and CLK = ‘1’) then
if (CLR = ‘1’) then CONT <= “0000”;
elsif (LOAD = ‘1’) then CONT <= D;
elsif (EN = ‘1’ and UP = ‘1’ and
CONT = “1001”) then
CONT <= “0000”;
elsif (EN = ‘1’ and UP = ‘1’) then
CONT <= CONT + “0001”;
elsif (EN = ‘1’ and UP = ‘0’ and
CONT = “0000”) then
CONT <= “1001”;
elsif (EN = ‘1’ and UP = ‘0’) then
CONT <= CONT - “0001”;
end if;
end if;
end process;
Q <= CONT;
end comportamento;

Esta arquitetura se refere a um contador do tipo

 

Provas

Questão presente nas seguintes provas
363135 Ano: 2009
Disciplina: Engenharia de Automação
Banca: CESGRANRIO
Orgão: SFE-RJ
Provas:

Considere o modelo de um sistema linear dado pela seguinte representação em espaço de estado:

\( \dot {X} (t) \, = \, \begin {bmatrix} -11 \,\,\,\,\,\,\, -60 \\ 1 \,\,\,\,\,\,\,\,\,\, 5 \end {bmatrix} \, X (t) \, + \, \begin {bmatrix} 1 \\ 0 \end {bmatrix} u (t) \, y(t) \, = \, [1 \,\, 15]X (t) \)

Os polos deste sistema são:

 

Provas

Questão presente nas seguintes provas
363134 Ano: 2009
Disciplina: Engenharia de Automação
Banca: CESGRANRIO
Orgão: SFE-RJ
Provas:

Enunciado 363134-1

Considere o sistema de controle em malha fechada ilustrado na figura acima, onde K > 0 representa o ganho a ser ajustado no compensador. Pelo compensador adotado e levando-se em conta o diagrama do lugar das raízes (root locus) desse sistema, conclui-se que o sistema será

 

Provas

Questão presente nas seguintes provas
363133 Ano: 2009
Disciplina: Engenharia Eletrônica
Banca: CESGRANRIO
Orgão: SFE-RJ
Provas:

Enunciado 363133-1

A figura acima apresenta um circuito elétrico com fontes de corrente contínua. O capacitor encontra-se operando em regime permanente. A ddp, em volts, entre os terminais X e Y do capacitor é, aproximadamente,

 

Provas

Questão presente nas seguintes provas
363132 Ano: 2009
Disciplina: Engenharia Eletrônica
Banca: CESGRANRIO
Orgão: SFE-RJ
Provas:

Enunciado 363132-1

No circuito da figura acima, a tensão do Circuito Equivalente de Thevenin, dada em volts e calculada entre os pontos X e Y, é:

 

Provas

Questão presente nas seguintes provas
363131 Ano: 2009
Disciplina: Engenharia Eletrônica
Banca: CESGRANRIO
Orgão: SFE-RJ
Provas:

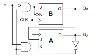
Enunciado 363131-1

Quando o circuito ilustrado na figura acima estiver no estado QBQA = 00, com Y = 1, os flip-flops B e A executarão, respectivamente, as operações de

 

Provas

Questão presente nas seguintes provas
363130 Ano: 2009
Disciplina: Engenharia Eletrônica
Banca: CESGRANRIO
Orgão: SFE-RJ
Provas:

Enunciado 363130-1

A figura acima ilustra o circuito digital que relaciona o sinal F com os sinais binários de entrada X, Y e Z. De acordo com o circuito, a expressão booleana mais simplificada de F em função de X, Y e Z é

 

Provas

Questão presente nas seguintes provas
363129 Ano: 2009
Disciplina: Engenharia Eletrônica
Banca: CESGRANRIO
Orgão: SFE-RJ
Provas:

Enunciado 363129-1

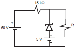
No circuito da figura acima, o Diodo Zener é considerado ideal e opera, em sua região ativa, com tensão nominal de 16 V.

Qual o valor do resistor R, em \( k \Omega \), para que a corrente no Zener seja de 2 mA?

 

Provas

Questão presente nas seguintes provas