Magna Concursos

Foram encontradas 330 questões.

3504989 Ano: 2024
Disciplina: Engenharia Eletrônica
Banca: Avalia
Orgão: SENAPPEN

A seguir é apresentado um conversor D/A binário ponderado. A tensão produzida na saída é igual à soma ponderada das entradas, ou seja, o peso é o mesmo que o ganho do canal; as tensões de entradas são digitais de valores 0 ou 1. Calcule os valores de tensão para as entradas 0000, 0101, 1010 e 1110 e assinale a alternativa que apresenta a sequência correta.

Considere os seguintes ganhos: Av3 = -10; Av2 = -5; Av1 = -2,5; Av0 = -1,25.

Enunciado 4180824-1

 

Provas

Questão presente nas seguintes provas
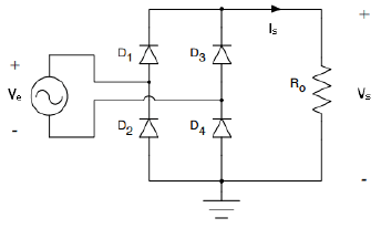
3504988 Ano: 2024
Disciplina: Engenharia Elétrica
Banca: Avalia
Orgão: SENAPPEN

Na figura apresentada, é demonstrado um circuito retificador. Calcule o que se pede a seguir e assinale a alternativa correta.

• Tensão de pico Vs(pk), tensão média Vs(med) e tensão eficaz na carga Vs(ef). • Corrente de pico Is(pk), corrente média Is(med) e corrente eficaz na carga Is(ef). • Potência na carga Po.

Dados:

• fonte de alimentação (eficaz): 15 V; • diodos ideais; • resistência da carga: 10 Ω; • considerar √2 = 1,4 e π = 3,1.

Enunciado 4180823-1

 

Provas

Questão presente nas seguintes provas
3504987 Ano: 2024
Disciplina: Engenharia Elétrica
Banca: Avalia
Orgão: SENAPPEN

Calcule a indutância da bobina da figura a seguir. Obs.: despreze a dispersão de fluxo.

Dados:
Ac = 2,0 m²;
lc = 10 cm;
g = 0,5 mm;
N = 500 voltas;
μ = 800μ0;
π = 3,1.

Enunciado 4180822-1

 

Provas

Questão presente nas seguintes provas
3504986 Ano: 2024
Disciplina: Engenharia Elétrica
Banca: Avalia
Orgão: SENAPPEN

Relacione corretamente as grandezas elétricas com as respectivas grandezas magnéticas e assinale a alternativa com a sequência correta.

A. Relutância.

B. Permeância.

C. Fluxo magnético.

D. Força magneto-motriz.

( ) Corrente elétrica.

( ) Tensão elétrica.

( ) Resistência.

( ) Condutância.

C D A B.
D C B A.
 

Provas

Questão presente nas seguintes provas
3504985 Ano: 2024
Disciplina: Engenharia Elétrica
Banca: Avalia
Orgão: SENAPPEN

Na figura a seguir, considere R1 = 2 Ω, R2 = 4 Ω, R3 = 1 Ω, I1 = 2 A, I2 = 7 A e V3 = 54 V. Modifique a malha Ia para o sentido horário que passe através de R1, R2, R3 e V3, mantendo o sentido das malhas Ib e Ic. Utilize a análise de malha e encontre a potência sobre o R3.

Enunciado 4180820-1

 

Provas

Questão presente nas seguintes provas
3504984 Ano: 2024
Disciplina: Engenharia Elétrica
Banca: Avalia
Orgão: SENAPPEN

Calcule ix e vx aplicando as leis de Kirchhoff das tensões (LKT) e a lei de Kirchoff das correntes (LKC).

Enunciado 4180798-1

 

Provas

Questão presente nas seguintes provas
3504983 Ano: 2024
Disciplina: Engenharia Civil
Banca: Avalia
Orgão: SENAPPEN

O nível de desenvolvimento é um conceito muito utilizado na definição do escopo de contratação de serviços de modelagem BIM. O termo usual utilizado para especificar o “nível de detalhamento” é

 

Provas

Questão presente nas seguintes provas
3504982 Ano: 2024
Disciplina: Direito Administrativo
Banca: Avalia
Orgão: SENAPPEN

Nas licitações de serviços contínuos, a repactuação será aplicada

 

Provas

Questão presente nas seguintes provas
3504981 Ano: 2024
Disciplina: Direito Administrativo
Banca: Avalia
Orgão: SENAPPEN

Em uma licitação de concorrência pública, foi requerida por uma empresa a disponibilização dos levantamentos topográficos e dos ensaios geotécnicos referentes ao objeto da licitação. Esses documentos devem estar contidos no

 

Provas

Questão presente nas seguintes provas
3504980 Ano: 2024
Disciplina: Engenharia Civil
Banca: Avalia
Orgão: SENAPPEN

O emprego de tubulão escavado manualmente é uma prática usual em obras. Esse sistema NÃO pode ser aplicado para tubulão com profundidade superior a

 

Provas

Questão presente nas seguintes provas