Foram encontradas 70 questões.
Observe o circuito abaixo, que Ilustra um divisor de corrente.

Para uma corrente total !$ I_t !$ no amperímetro, os valores das correntes !$ I_1 !$ e !$ I_2 !$ são determinados, respectivamente, pelas seguintes expressões:
Provas
Questão presente nas seguintes provas
O circuito apresenta a ligação de t rês cargas em formação delta ou triângulo a um sistema de potência trifásico. É também mostrado o diagrama fasorial das tensões de linha, onde a tensão entre a linha vermelha e o neutro é tomada como referência.

A tensão aplicada a qualquer carga é a tensão de linha VL e a corrente de linha é a diferença vetorial entre as duas correntes nas duas cargas ligadas a essa linha. Em particular, se as correntes de carga são iguais e têm os mesmos ângulos de fase com as tensões respectivas, o sistema é balanceado e, nesse caso, são válidas as seguintes expressões para a corrente de linha e a potência:
Provas
Questão presente nas seguintes provas
Em conformidade com a NBR 5444, que estabelece os símbolos para instalações elét ricas prediais. Nesse sentido, são utilizados para condutor de fase no interior do eletroduto, para caixa de passagem no teto e para disjuntor a seco, respectivamente, os seguintes símbolos:
Provas
Questão presente nas seguintes provas
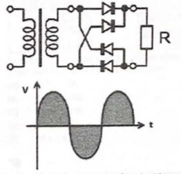
Observe o circuito abaixo e o correspondente sinal de entrada, que Ilustra uma aplicação para o diodo semicondutor.
A denominação pela qual esse circuito é conhecido e a forma de onda de saída, estão indicadas na seguinte opção de resposta:
Provas
Questão presente nas seguintes provas
Na Implementação de LAN' s Fast Ethernet com throughput de 100 Mbps através de par trançado, é utilizado um conector específico, conhecido por uma sigla, bem como são padronizadas as guias desse conector para transmissão e recepção. A sigla e as guias são, respectivamente:
Provas
Questão presente nas seguintes provas
A saída de um gerador é de 1500 W e a entrada é equivalente a 2000 W. O valor do rendimento percentual é de:
Provas
Questão presente nas seguintes provas
Um transmissor está entregando a uma antena a potência de 0,98 kW. Sabendo-se que a resistência dessa antena é de 20_ ohms, o valor da corrente na antena, em A, é de:
Provas
Questão presente nas seguintes provas
Observe a citação abaixo, relacionada às normas Occupotional Heolth ond Sofety Assessment Series (OHSAS) para a gestão da Segurança e Saúde no Trabalho - SST.
"Processo recorrente de se avançar com o sistema de gestão do SST, com o propósito de atingir o aprimoramento do desempenho do SST gero/, coerente com o político de SST do organização."
Essa citação representa um conceito conhecido por:
Provas
Questão presente nas seguintes provas
No circuito abaixo, o voltímetro permite medidas de tensões de 0 a 200 V e o amperímetro de 0 a 1 A. A resistência interna do amperímetro é de 2 !$ \Omega !$ e a do voltímetro de !$ 100\,\Omega !$.

Com a tensão de 200 V aplicada ao conjunto e para que as agulhas dos Instrumentos fiquem na metade de suas escalas, os valores do "shunt" S e do resistor R serão, em !$ \Omega !$, respectivamente:
Provas
Questão presente nas seguintes provas
Em relação à transmissão síncrona, uma vantagem da transmissão assíncrona é:
Provas
Questão presente nas seguintes provas
Cadernos
Caderno Container