Foram encontradas 550 questões.
Pesa-se um corpo de volume igual a 7,5 - 10–4 m3 totalmente submerso em um líquido de densidade igual a 1,6 - 103 kg/m3, suspendendo-o a um dinamômetro, como ilustra a figura.
Com o corpo em repouso, o dinamômetro indica 48 N.

Suponha que o fio se rompa. Considere g = 10m/s2. Imediatamente após o rompimento do fio, o módulo da aceleração adquirida pelo corpo é de
Provas
No circuito esquematizado na figura, o voltímetro (ideal) indica 60 V com a chave aberta. Já o amperímetro (ideal) indica 1 A com a chave fechada.

A resistência interna do gerador é igual a:
Provas
A figura abaixo representa as linhas de força de um campo elétrico uniforme \( \vec{E} \). A diferença de potencial entre o ponto A e B é 60 V. Uma carga elétrica puntiforme, de intensidade 2 \( \mu \)C, colocada no ponto A, passa pelo ponto B após algum tempo.

O trabalho realizado pela força elétrica para deslocar essa carga entre os pontos A e B é
Provas
Assinale o esquema que melhor representa a formação da imagem (i), de um objeto distante, em um olho com hipermetropia.
Provas
Um gás ideal sofre uma expansão isotérmica entre dois estados de equilíbrio termodinâmico. Sejam Q a quantidade de calor cedida ou recebida pelo gás e W o trabalho realizado por ele ou sobre ele durante a expansão.
Essa quantidade de calor e esse trabalho são tais que
Provas
Imagine um satélite artificial gravitando em órbita circular em torno da Terra. Sejam EP (em módulo) a energia potencial de interação gravitacional do satélite com a Terra e EC a energia do satélite. EP e EC são tais que
Provas
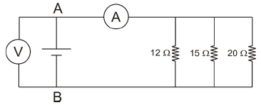
No circuito esquematizado na figura, o amperímetro A (ideal) indica 3 A.

Sendo assim, o voltímetro V (ideal) indica
Provas
Uma pequena esfera de massa igual a 0,25 kg move-se apoiada numa mesa horizontal, com atrito desprezível, percorrendo uma trajetória circular, com movimento uniforme, presa a uma das extremidades de um fio ideal de 1 m de comprimento, cuja outra extremidade é fixa à mesa, como ilustra a figura.

O fio é fraco e se rompe quando a tensão fica maior que 9 N.
Nesse caso, para que o fio não se rompa, o módulo da velocidade da esfera pode valer, no máximo,
Provas
A figura mostra duas esferas de mesmas dimensões e de massas iguais sobre uma mesa horizontal, uma em repouso, e outra que dela se aproxima velozmente.

A esfera móvel colide frontalmente com a outra e a ela se adere instantaneamente. Considere os atritos desprezíveis. Sejam EC e E'C, respectivamente, as energias cinéticas do sistema constituído pelas duas esferas imediatamente antes e imediatamente após a colisão.
Essas energias cinéticas são tais que
Provas
Provas
Caderno Container