Foram encontradas 1.089 questões.
Durante a criação de um projeto elétrico no AutoCAD, um engenheiro eletricista precisa configurar as propriedades dos blocos de símbolos elétricos para garantir que eles estejam corretamente dimensionados e alinhados. Qual dos seguintes procedimentos é necessário para garantir que os blocos estejam de acordo com as especificações do projeto?
Provas
Dado o ponto P(2,3) no plano cartesiano, determine a equação da reta que passa por esse ponto e é perpendicular à reta de equação 3x - 4y + 5 = 0 e assinale a alternativa correta.
Provas
Considere o sistema linear homogêneo a seguir, em que X1,X2,X3 e X4 são variáveis reais:
\( \begin{cases} 2x_1 + 3x_2 - x_3 + 4x_4 = 0 \\ x_1 + 2x_2 + 2x_3 - x_4 = 0 \\ 3x_1 + 5x_2 + x_3 + 7x_4 = 0 \\ -2x_1 - 3x_2 + 2x_3 + x_4 = 0 \end{cases} \)
Qual é a dimensão do espaço das soluções desse sistema?
Provas
Disciplina: Segurança e Saúde no Trabalho (SST)
Banca: AOCP
Orgão: SANEPAR
A NR-10 estabelece critérios rigorosos para garantir a segurança em ambientes com instalações elétricas. Um dos aspectos fundamentais dessa norma é a implementação de medidas de proteção coletiva e individual, bem como a organização de procedimentos de trabalho que visam prevenir acidentes. A NR-10 também destaca a importância da documentação e do controle de procedimentos como parte das medidas de segurança.
De acordo com a NR-10, assinale a alternativa que apresenta a(s) medida(s) que é/são considerada(s) fundamental(is) para garantir a segurança dos trabalhadores em atividades com eletricidade.
Provas
A água é transportada para um vazamento por meio de uma tubulação horizontal de bombeamento. Durante o transporte, foi observado que a pressão na seção de entrada da tubulação é de 200 kPa, enquanto a pressão na seção de saída (que possui uma distância de 100 m) é de 150 kPa. Assumindo que o escoamento seja incompressível, em regime permanente e sem mudanças de altura, qual é a principal causa da diferença de pressão observada ao longo da tubulação?
Provas
Em uma instalação industrial, a escolha de um sistema de partida eficiente para motores é fundamental para garantir uma vida útil prolongada, reduzir custos operacionais e proporcionar maior segurança nas operações de manutenção. Entre os métodos de partida de motores, a partida direta e a partida por meio de chave estrela-triângulo são dois dos mais comuns. Considerando as características e condições de aplicação desses sistemas de partida, assinale a alternativa correta.
Provas
Em instalações elétricas, os quadros de distribuição podem ser encontrados em residências, indústrias e edifícios comerciais, sendo responsáveis por abrigar e distribuir a energia elétrica para diferentes partes de uma instalação. Para garantir a segurança e a durabilidade desses equipamentos, é fundamental que sejam projetados e construídos de acordo com as condições ambientais do local onde serão instalados, bem como apresentem um bom acabamento, rigidez mecânica e disposição apropriada nos equipamentos e instrumentos.
Tendo em vista essas informações, é correto afirmar que
Provas
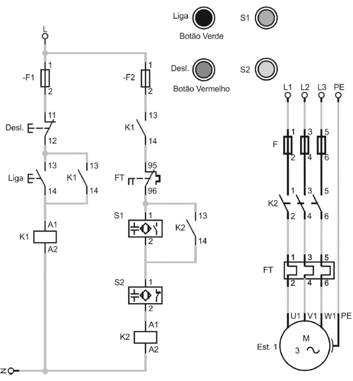
Considere o quadro de comando e força de um sistema de acionamento de motores elétricos de uma esteira industrial apresentado a seguir, sabendo que S1 e S2 são sensores capacitivos.

Analise o esquema elétrico e assinale a alternativa que descreva melhor o seu funcionamento.
Provas
Quando uma fonte de corrente alternada (CA) é conectada ao circuito primário de um transformador, uma corrente circula no circuito primário, mesmo quando o circuito secundário do transformador está aberto. Essa corrente é conhecida como corrente de magnetização e desempenha um papel crucial na operação do transformador. Ela é responsável por gerar o fluxo magnético necessário no núcleo do transformador para que ele funcione corretamente.
A corrente de magnetização é composta por duas partes: a corrente necessária para criar o fluxo magnético no núcleo e a corrente que cobre as perdas no núcleo, como as perdas por histerese e correntes parasitas. A natureza da corrente de magnetização, especialmente em condições de saturação magnética, pode influenciar o comportamento do transformador, incluindo a forma de onda da corrente e suas componentes de frequência.
Com base no que foi apresentado acerca da corrente de magnetização, assinale a alternativa correta.
Provas
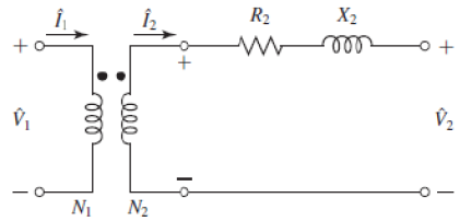
Considere o circuito equivalente mostrado na figura a seguir, que representa um transformador ideal. A impedância do circuito secundário é \( R_2 +jX_2 = 1 + 5 \Omega \) e está conectada em série com o enrolamento secundário. Sabendo-se que a relação de espiras é 10:2 e que o circuito no lado secundário está em curto-circuito, determine a corrente no primário, dado que a tensão eficaz de entrada do transformador é de 127 V, e assinale a alternativa correta.

Provas
Caderno Container