Foram encontradas 1.045 questões.
O trecho de um circuito lógico utilizado num sistema de telefonia digital é implementado através de duas portas lógicas do tipo
OU, três portas inversoras e duas portas do tipo E conforme mostra a figura abaixo.

A expressão booleana, da saída S, do circuito digital mostrado na figura abaixo é

A expressão booleana, da saída S, do circuito digital mostrado na figura abaixo é
Provas
Questão presente nas seguintes provas
Para o layout em desenvolvimento de uma placa de circuito impresso (PCI), que será um driver para acendimento de 3 leds de
alta luminosidade, conforme esquema elétrico da Figura I, necessita-se selecionar um transistor tipo Surface Mount
Device − SMD, dentre os modelos disponibilizados (encapsulamentos e tipos NPN ou PNP) e ilustrados na Figura II (com
dimensões físicas fora de escala).

Sabendo que Vcom é um sinal binário (0V ou 5V) proveniente de um Arduino, que os resistores RB e RC serão devidamente dimensionados, de modo que o transistor selecionado opere como chave (dentro de suas características elétricas) com os pontos elétricos definidos pelo esquema elétrico (B = base, C = coletor e E = emissor), para o funcionamento da placa

Sabendo que Vcom é um sinal binário (0V ou 5V) proveniente de um Arduino, que os resistores RB e RC serão devidamente dimensionados, de modo que o transistor selecionado opere como chave (dentro de suas características elétricas) com os pontos elétricos definidos pelo esquema elétrico (B = base, C = coletor e E = emissor), para o funcionamento da placa
Provas
Questão presente nas seguintes provas
Considerando as classes de operação de um amplificador de potência são apresentadas as seguintes afirmações:
I. Amplificadores da classe A apresenta a melhor característica de linearidade entre todas (teórico), mas também tem o menor rendimento que, idealmente, não passa de 50% (para configuração push-pull); II. Amplificadores da classe B caracterizam-se por não terem corrente de polarização nos transistores de saída, o que faz diminuir o rendimento do circuito; III. Amplificadores da classe D também são conhecidos como "amplificadores chaveados" e isso se deve ao fato de que os transistores de saída não operam continuamente e sim como "chaves", comutando a tensão de alimentação (+ e – VDD) à carga.
Está correto o que se afirma em
I. Amplificadores da classe A apresenta a melhor característica de linearidade entre todas (teórico), mas também tem o menor rendimento que, idealmente, não passa de 50% (para configuração push-pull); II. Amplificadores da classe B caracterizam-se por não terem corrente de polarização nos transistores de saída, o que faz diminuir o rendimento do circuito; III. Amplificadores da classe D também são conhecidos como "amplificadores chaveados" e isso se deve ao fato de que os transistores de saída não operam continuamente e sim como "chaves", comutando a tensão de alimentação (+ e – VDD) à carga.
Está correto o que se afirma em
Provas
Questão presente nas seguintes provas
- Instalações ElétricasSubestações
- Transformadores e Máquinas ElétricasMáquinas EstáticasTransformador de Potência
- Sistemas Elétricos de PotênciaDistribuição de Energia Elétrica
Em uma subestação de distribuição constituída por transformadores abaixadores
Provas
Questão presente nas seguintes provas
Um gerador síncrono possui as seguintes características nominais 100 MVA, 20 kV, Xs = 0,2 pu.
É correto afirmar que a reatância síncrona é
Provas
Questão presente nas seguintes provas
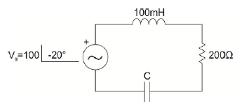
Considere o circuito abaixo:

Provas
Questão presente nas seguintes provas
Pretende-se desenvolver uma placa de circuito impresso para um circuito com dupla função: carga para o sinal Va e atenuador de
tensão para um osciloscópio (com resistência de entrada da ordem de 50 MΩ), conforme esquema elétrico apresentado abaixo.
Como o conhecimento dos tamanhos (dimensões físicas) dos resistores é fundamental à realização do projeto da PCI, é
necessário calcular as máximas potências dissipadas pelos mesmos. Admitindo que a tensão de entrada Va para o projeto será
fixada em 200 Vdc, a potência no resistor R2 será de
Como o conhecimento dos tamanhos (dimensões físicas) dos resistores é fundamental à realização do projeto da PCI, é
necessário calcular as máximas potências dissipadas pelos mesmos. Admitindo que a tensão de entrada Va para o projeto será
fixada em 200 Vdc, a potência no resistor R2 será deProvas
Questão presente nas seguintes provas
Atenção: Para responder a questão, considere as informações abaixo.
O grupo gerador de uma empresa de saneamento é utilizado para garantir fornecimento da energia elétrica e a continuidade
das atividades mesmo com a falta do fornecimento de energia da concessionária local. Considere um grupo gerador que possui os
seguintes valores nominais: 500 kVA − 380/220 V − 60 Hz − trifásico e fator de potência 0,6 em atraso, indutivo.
Provas
Questão presente nas seguintes provas
Um motor trifásico para bomba monobloco consome 5 kVA com fator de potência 0,7, em atraso, indutivo, de rede trifásica
simétrica com tensão de linha 220 V. A corrente de linha e a potência ativa, fornecidos pela rede, são, respectivamente:
Provas
Questão presente nas seguintes provas
Uma carga de 10 kVA e fator de potência 0,5 (indutivo) é alimentada por uma rede monofásica de 440 V, 60 Hz.
sen(60°) = 0,866 ; cos(60°) = 0,500 ; tg(60°) = 1,732 ; sen(18,19°) = 0,312 ; cos(18,19°) = 0,950 ; tg(18,19°) = 0,328 .
É correto afirmar que a reatância do banco de capacitores que corrige o fator de potência para 0,95 e o valor da capacitância do mesmo é
Provas
Questão presente nas seguintes provas
Cadernos
Caderno Container