Magna Concursos

Foram encontradas 1.045 questões.

187303 Ano: 2018
Disciplina: Engenharia Eletrônica
Banca: FCC
Orgão: SABESP

O diagrama em blocos abaixo representa um sistema de controle PID não-interativo.

Enunciado 187303-1

Os blocos I, II e III estão corretamente identificados em:

 

Provas

Questão presente nas seguintes provas
187302 Ano: 2018
Disciplina: Engenharia Eletrônica
Banca: FCC
Orgão: SABESP

Na figura abaixo estão representados dois circuitos eletrônicos (1 e 2), para duas entradas de um CLP, as quais recebem os sinais K1 (para o circuito 1) e K2 (para o circuito 2), estas que por sua vez são provenientes de dois sensores, cujos circuitos transistorizados de saída são S1 (para o circuito 1) e S2 (para o circuito 2).

Enunciado 187302-1

Admitindo que os transistores das saídas dos sensores (S1 e S2) operam como chaves (corte ou saturação), ou seja: sensor ativo corresponde a transistor saturado e sensor desativo corresponde a transistor cortado, é correto afirmar:

 

Provas

Questão presente nas seguintes provas
187301 Ano: 2018
Disciplina: Engenharia Eletrônica
Banca: FCC
Orgão: SABESP
Provas:
A respeito de elementos de um sistema de telecomunicações é correto afirmar que:
 

Provas

Questão presente nas seguintes provas
187300 Ano: 2018
Disciplina: Engenharia Eletrônica
Banca: FCC
Orgão: SABESP
Em processos industriais, na transmissão elétrica, o sinal padronizado em miliampère está expresso em:
 

Provas

Questão presente nas seguintes provas
187299 Ano: 2018
Disciplina: Engenharia Eletrônica
Banca: FCC
Orgão: SABESP

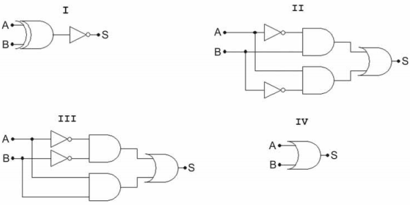
A tabela verdade abaixo, constituída pelas variáveis de entradas binárias A e B, tem como resultante a função binária S.

Enunciado 187299-1

Pretende-se implementar a função S, e para isso são apresentados os circuitos digitais com portas lógicas a seguir:

Enunciado 187299-2

Considerando as informações apresentadas acima, é correto afirmar APENAS que:

 

Provas

Questão presente nas seguintes provas
187298 Ano: 2018
Disciplina: Engenharia Eletrônica
Banca: FCC
Orgão: SABESP
Os CLPs normalmente apresentam entradas reservadas para sinais analógicos. Assim, em aplicações normais, pode-se ligar em uma dessas entradas o dispositivo analógico que consta em
 

Provas

Questão presente nas seguintes provas
187297 Ano: 2018
Disciplina: Engenharia Eletrônica
Banca: FCC
Orgão: SABESP

Sobre transmissores inteligentes, considere:

I. Podem se comunicar com sistema de controle por meio de protocolos HART, Fieldbus e Profibus.

II. A calibração, auto diagnose e alteração de parâmetros são realizadas somente no local.

III. Podem processar as informações e corrigir erros de não linearidade do sensor primário.

IV. A instalação pode ser feita a dois fios, ou seja, a alimentação e o sinal de transmissão podem estar no mesmo fio.

Está correto o que se afirma APENAS em

 

Provas

Questão presente nas seguintes provas
187296 Ano: 2018
Disciplina: Engenharia Eletrônica
Banca: FCC
Orgão: SABESP
Um sistema supervisório
 

Provas

Questão presente nas seguintes provas
187295 Ano: 2018
Disciplina: Engenharia Eletrônica
Banca: FCC
Orgão: SABESP
Deseja-se tabelar os procedimentos de calibração (a grosso modo), de um modelo de placas de PCI após a etapa de produção da soldagem, para uma tensão interna promovida pelo ajuste de um trimpot multivoltas especial (16 voltas, linear e resistência total R = RAB =10 kΩ). A figura abaixo ilustra o trimpot e o circuito de geração da tensão a ser calibrada Vcal. Enunciado 187295-1 Admitindo como condição inicial de calibração que o trimpot esteja inicialmente zerado (RAC = 0 Ω e RCB = 10 kΩ), que aumente RAC girando o parafuso do cursor de ajuste no sentido horário, então é um dado correto que pode ser inserido na tabela operacional que está sendo elaborada:
 

Provas

Questão presente nas seguintes provas
187294 Ano: 2018
Disciplina: Engenharia Eletrônica
Banca: FCC
Orgão: SABESP
Os elementos sensores são componentes essenciais da automação industrial, pois fazem parte integrante da maioria absoluta dos instrumentos de medição, os quais convertem a variável física de entrada para a forma adequada ao sistema de medição em questão. Dentro deste contexto, assinale a alternativa que melhor se adequa à realidade dos sensores citados.
 

Provas

Questão presente nas seguintes provas