Foram encontradas 411 questões.
O hemograma completo proporciona a avaliação
dos três componentes principais do sangue periférico.
Assinale a alternativa correta em relação a esta temática.
Assinale a alternativa correta em relação a esta temática.
Provas
Questão presente nas seguintes provas
203250
Ano: 2019
Disciplina: Ética e Regulação Profissional
Banca: FEPESE
Orgão: Pref. Xaxim-SC
Disciplina: Ética e Regulação Profissional
Banca: FEPESE
Orgão: Pref. Xaxim-SC
Provas:
O Código de Ética da Profissão Farmacêutica, de
2014, estabelece condições a serem observadas pelo
farmacêutico no aviamento de prescrições e dispensação de medicamentos, como:
1. O farmacêutico tem o direito de decidir, justificadamente, sobre o aviamento ou não de qualquer prescrição, bem como fornecer as informações solicitadas pelo usuário. 2. É proibido ao farmacêutico aviar receitas com prescrições médicas ou de outras profissões, em desacordo com a técnica farmacêutica e a legislação vigentes. 3. Cabe ao farmacêutico e ao técnico em farmácia, na dispensação de medicamentos, visando a garantir a eficácia e a segurança da terapêutica prescrita, observar os aspectos técnicos e legais do receituário. 4. É infração gravíssima fornecer, dispensar ou permitir que sejam dispensados medicamentos, fórmula magistral ou especialidade farmacêutica que não inclua a identificação clara e precisa sobre a(s) substância(s) ativa(s) nela contida(s).
Assinale a alternativa que indica todas as afirmativas corretas.
1. O farmacêutico tem o direito de decidir, justificadamente, sobre o aviamento ou não de qualquer prescrição, bem como fornecer as informações solicitadas pelo usuário. 2. É proibido ao farmacêutico aviar receitas com prescrições médicas ou de outras profissões, em desacordo com a técnica farmacêutica e a legislação vigentes. 3. Cabe ao farmacêutico e ao técnico em farmácia, na dispensação de medicamentos, visando a garantir a eficácia e a segurança da terapêutica prescrita, observar os aspectos técnicos e legais do receituário. 4. É infração gravíssima fornecer, dispensar ou permitir que sejam dispensados medicamentos, fórmula magistral ou especialidade farmacêutica que não inclua a identificação clara e precisa sobre a(s) substância(s) ativa(s) nela contida(s).
Assinale a alternativa que indica todas as afirmativas corretas.
Provas
Questão presente nas seguintes provas
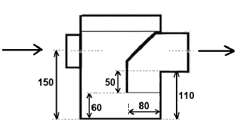
Em instalações sanitárias, o desconector é um dispositivo provido de fecho hídrico, destinado a vedar
a passagem de gases, impedida pela camada líquida
denominada fecho hídrico.
Considerando a representação esquemática acima de um desconector, assinale a alternativa que apresenta a altura do fecho hídrico em milímetros
Considerando a representação esquemática acima de um desconector, assinale a alternativa que apresenta a altura do fecho hídrico em milímetros
Provas
Questão presente nas seguintes provas
Prevenir incêndios é tão importante quanto saber
apagá-los ou mesmo saber como agir corretamente
no momento em que eles ocorrem. Por isso a importância do conhecimento das classes de fogo que
caracterizam o tipo de material em combustão, para
entendimento da posterior eficácia de sua extinção.
Os materiais de fácil combustão com a propriedade de queimarem em sua superfície e profundidade, deixando resíduos, como por exemplo, tecidos, madeira, papel, fibra, etc., são classificados como incêndios de:
Os materiais de fácil combustão com a propriedade de queimarem em sua superfície e profundidade, deixando resíduos, como por exemplo, tecidos, madeira, papel, fibra, etc., são classificados como incêndios de:
Provas
Questão presente nas seguintes provas
Em relação ao controle tecnológico do concreto,
no estado fresco é realizado o ensaio de consistência
pelo abatimento do tronco de cone.
Para o concreto preparado pelo construtor em obra, devem ser realizados ensaios de consistência nas situações:
1. na primeira amassada do dia e/ou cada vez que forem moldados corpos de prova. 2. sempre que ocorrerem alterações na umidade dos agregados e/ou na troca dos operadores. . ao reiniciar o preparo após uma interrupção da jornada de concretagem de pelo menos 2 h.
Assinale a alternativa que indica todas as afirmativas corretas.
Para o concreto preparado pelo construtor em obra, devem ser realizados ensaios de consistência nas situações:
1. na primeira amassada do dia e/ou cada vez que forem moldados corpos de prova. 2. sempre que ocorrerem alterações na umidade dos agregados e/ou na troca dos operadores. . ao reiniciar o preparo após uma interrupção da jornada de concretagem de pelo menos 2 h.
Assinale a alternativa que indica todas as afirmativas corretas.
Provas
Questão presente nas seguintes provas
São estacas moldadas in loco perfuradas com
circulação de água ou método rotativo ou rotativo-
-percursivo e executadas com injeção de argamassa
ou calda de cimento sob baixa pressão. No caso de
perfuração exclusivamente em solos, as estacas são
revestidas com tubo metálico recuperável para garantir a integridade do fuste. Se ocorrer perfuração em
trecho de rocha (passagem de matacões ou engastamento em rochas sãs), isso se dará pelo processo rotativo-percursivo sem a necessidade de revestimento
metálico.
Essa definição está relacionada às estacas do tipo:
Essa definição está relacionada às estacas do tipo:
Provas
Questão presente nas seguintes provas
A norma regulamentadora que estabelece diretrizes de ordem administrativa, de planejamento
e de organização que objetivam a implementação
de medidas de controle e sistemas preventivos de
segurança nos processos, nas condições e no meio
ambiente de trabalho na Indústria da Construção é a:
Provas
Questão presente nas seguintes provas
- Gerenciamento, Planejamento e Controle de Obras
- Orçamento no Planejamento e Controle de Obras na Engenharia Civil
A utilização da composição de custos unitários
de serviços traz muitos benefícios na elaboração dos
orçamentos. Considere a composição abaixo apresentada para realização de 1 m² de alvenaria de bloco de
concreto (espessura de 19 cm) sem acabamento:
Analise as afirmativas abaixo:
1. O custo da mão de obra é R$ 24,07 por m2 de alvenaria. 2. Para uma obra de 100 m2 de alvenaria será necessário 1 m3 de argamassa. 3. O material representa mais de 60% do total do custo da composição.
Assinale a alternativa que indica todas as afirmativas corretas.
Analise as afirmativas abaixo:
1. O custo da mão de obra é R$ 24,07 por m2 de alvenaria. 2. Para uma obra de 100 m2 de alvenaria será necessário 1 m3 de argamassa. 3. O material representa mais de 60% do total do custo da composição.
Assinale a alternativa que indica todas as afirmativas corretas.
Provas
Questão presente nas seguintes provas
- Gerenciamento, Planejamento e Controle de Obras
- Orçamento no Planejamento e Controle de Obras na Engenharia Civil
Uma etapa fundamental preliminar ao orçamento
de um projeto é o levantamento de quantitativos
que, sendo bem executado, garante mais eficácia no
orçamento, seja na projeção de compras ou no dimensionamento das equipes em função dos prazos estabelecidos. Nesse contexto, considere uma obra que
receberá acabamento externo (textura) com área total
de 36.000 m². O fabricante desse material informa que
são necessárias 2 demãos de textura para que o acabamento tenha o efeito desejado e que cada lata de
textura tem rendimento de 10 m²/litro.
Sabendo que a lata contém 18 litros, quantas latas serão necessárias para que essa atividade seja finalizada?
Sabendo que a lata contém 18 litros, quantas latas serão necessárias para que essa atividade seja finalizada?
Provas
Questão presente nas seguintes provas
No estudo das bacias hidrográficas, o conhecimento do sistema de drenagem, ou seja, o tipo de
curso d’água que está drenando a região, de acordo
com seu regime é de suma importância. Uma das
formas de classificar esses cursos d’água, por exemplo,
é considerar a constância do escoamento.
Nesse critério, o curso d’água cuja superfície se encontra sempre a um nível inferior ao do leito fluvial, não havendo a possibilidade de escoamento de deflúvio subterrâneo, que existe apenas durante ou imediatamente após os períodos de precipitação e só transporta escoamento superficial é denominado:
Nesse critério, o curso d’água cuja superfície se encontra sempre a um nível inferior ao do leito fluvial, não havendo a possibilidade de escoamento de deflúvio subterrâneo, que existe apenas durante ou imediatamente após os períodos de precipitação e só transporta escoamento superficial é denominado:
Provas
Questão presente nas seguintes provas
Cadernos
Caderno Container