Foram encontradas 515 questões.
É uma opção medicamentosa recomendada via intramuscular para controle de crises epilépticas em caso de urgência
Provas
Diante de uma parada cardiorrespiratória (PCR), é importante zelar pela qualidade da reanimação cardiopulmonar (RCP). Faz parte da recomendação mais atual da American Heart Association (AHA), em relação à qualidade da RCP
Provas
Diante de uma suspeita clínica de Trombose Venosa Profunda (TVP), aplicam-se scores de pontuação com objetivo de guiar a conduta médica. Esse critério é chamado de Escore de
Provas
Considere um paciente que para manter o controle de sua asma, necessite de corticoide inalatório de dose baixa + formoterol de manutenção e resgate em dispositivo inalatório único + beta-2-agonista de longa duração (LABA) de manutenção + beta-2-agonista de curta duração de resgate (SABA), sem medicamento via oral. Esse paciente pode ser classificado como portador de
Provas
O método ambulatorial que permite uma monitorização mais prolongada do ritmo cardíaco é o
Provas
A hipertensão arterial sistêmica é uma doença crônica definida por níveis pressóricos em que os benefícios do tratamento (não medicamentoso e/ou medicamentoso) superam os riscos. Caracteriza-se por elevação persistente da pressão arterial (PA) em pelo menos duas ocasiões diferentes na ausência de medicação anti-hipertensiva. Para tal caracterização os valores pressóricos de PA sistólica (PAS) e PA diastólica (PAD) deverão ser maiores ou iguais a, respectivamente,
Provas
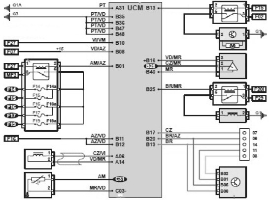
Observe a imagem a seguir.

Disponível em: <www.webautomotivo.com.br>. Acesso em: 26 dez. 2023. [Adaptado].
O diagrama elétrico automotivo a seguir representa um mapa das conexões elétricas entre componentes de um sistema. A partir da figura, verifica-se nela a presença de um
Provas
Analise a figura a seguir.

Disponível em: <www.ibama.gov.br>. Acesso em: 26 dez. 2023.
A Resolução Conama nº 362/2005, que dispõe sobre o recolhimento, coleta e destinação final de óleo lubrificante usado ou contaminado (OLUC), e sua cadeia de reciclagem, determina que o
Provas
Observe as figuras a seguir.

Disponível em: <www.visaototalecv.com.br>. Acesso em: 26 dez. 2023. [Adaptado].
Com base na análise da figura, onde as partes claras indicam perda de material, e nos conhecimentos de mecânica automotiva, a figura que mostra um pneu que possui degaste prematuro devido ao seu uso com baixa pressão é
Provas
O Conama, por meio do programa Proconve, determina as taxas de emissões de enxofre, particulados e outras substâncias emitidas pelos veículos automotores no Brasil. Nos veículos movidos a diesel, a tecnologia
Provas
Caderno Container