Foram encontradas 320 questões.
A imagem apresentada a seguir é um componente do sistema hidráulico das máquinas.

É possível afirmar que este componente é
Provas
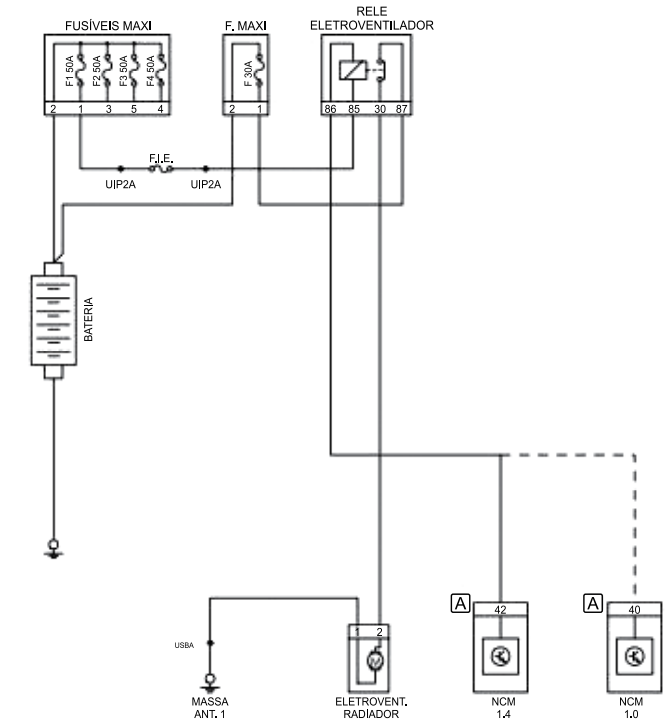
Analise o esquema elétrico a seguir:

É possível afirmar que trata-se de um esquema elétrico do sistema de
Provas
A imagem a seguir representa o sistema common rail.

A peça em destaque é denominada de bomba de
Provas
O operador chega ao mecânico e alega que a máquina perdeu a força e está com muita fumaça preta, o mecânico dá o diagnóstico prévio de que pode ser um problema no sistema de
Provas
Observe a imagem a seguir:

Quando o bico injetor do sistema Common Rail estiver fora do motor, é possível realizar, em sua bobina, teste de
Provas
Observe a imagem a seguir:

A imagem representa um sinal da árvore de manivelas originada pelo sensor
Provas
Observe a imagem a seguir:

A imagem apresenta o sensor de temperatura do sistema de arrefecimento de um motor diesel, do tipo NTC (Coeficiente Negativo de Temperatura).Neste caso, a resistência é
Provas
Para um bom funcionamento do motor a diesel, os bicos injetores devem estar bem regulados. As principais regulagens realizadas nos bicos injetores são:
Provas
Quando o mecânico não tem a sequência do fabricante, ao retirar um cabeçote do motor a diesel ele deve manter um padrão de desmontagem, que deve ser:
Provas
Assinale a alternativa em que todos os tipos de cola (adesivo) citados são normalmente utilizados na fabricação de chapas planas, construção, manutenção e montagem de móveis, peças sob medida e estruturas de madeira.
Provas
Caderno Container