Foram encontradas 320 questões.
O relógio comparador está apresentando a medida de

(Arquivo pessoal; imagem usada com autorização)
Provas
O micrômetro está apresentando a medida de

(Arquivo pessoal; imagem usada com autorização)
Provas
O micrômetro, na figura, está apresentando a medida de

(Arquivo pessoal; imagem usada com autorização)
Provas
A imagem apresenta a utilização de um multímetro realizando a medição de

(Arquivo pessoal; imagem usada com autorização)
Provas
O mecânico está realizando a reparação da árvore secundária da caixa de transmissão. A regulagem que está sendo realizada é

(Arquivo pessoal; imagem usada com autorização)
Provas
A imagem apresenta o mecânico utilizando a lâmpada estroboscópica. Este equipamento é utilizado para verificação

(Arquivo pessoal; imagem usada com autorização)
Provas
Trafegando em uma rua de paralelepípedo ou com muito buraco, um veículo apresenta um barulho na suspensão dianteira. Este veículo utiliza o modelo de suspensão apresentada na imagem. O possível defeito do veículo será sanado com a substituição

(Arquivo pessoal; imagem usada com autorização)
Provas
Ao estar trafegando em uma rodovia, o motorista percebe que seu carro está “puxando” a direção para a direita. Ao chegar na oficina, o mecânico percebe uma falha no sistema de direção. A peça com defeito é

(Arquivo pessoal; imagem usada com autorização)
Provas
A imagem representa um serviço de inspeção e manutenção no sistema de

(Arquivo pessoal; imagem usada com autorização)
Provas
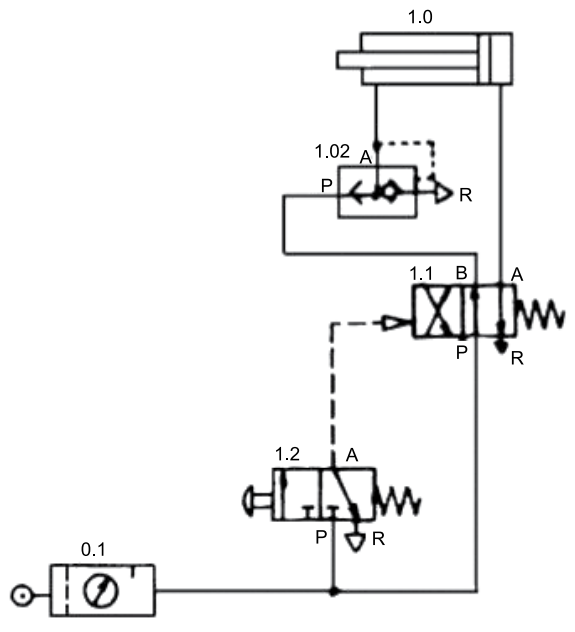
Observe o esquema apresentado a seguir:

O esquema hidráulico é um comando do cilindro com
Provas
Caderno Container