Foram encontradas 546 questões.
Considere o que se diz a seguir sobre os processos de usinagem de materiais:
I. O torneamento é uma operação de usinagem que permite trabalhar peças cilíndricas.
II. O aplainamento tem por objetivo obter superfícies planas em posição horizontal, vertical ou inclinada.
III. As brocas utilizadas em processos de furação são classificadas de acordo com suas propriedades geométricas, as quais são selecionadas de acordo com o tipo de material a ser usinado.
IV. Na fresagem convencional, a remoção de material da peça é feita pela combinação de dois movimentos efetuados de forma não simultânea, quais sejuam: o de rotação da fresa e o movimento da mesa da máquina onde a peça está fixada.
Está correto o que se afirma em
Provas
Provas
Provas
Provas
Provas
cA=100J/kg.K cB=200 J/kg.K
Provas
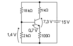
Um circuito de polarização por divisor de tensão é mostrado na figura a seguir.


O transistor está operando na região
Provas
Considere o circuito do conversor digital-analógico mostrado na figura abaixo.

O valor da tensão de saída Vs de fundo de escala é igual a
Provas
Atente para o circuito mostrado na figura a seguir.

Provas
Considere o seguinte diagrama de blocos do sistema de controle de malha fechada submetido a uma perturbação P(s).

Admitindo-se a aplicação da entrada e da perturbação simultaneamente, assinale a opção que corresponde à saída Y(s).
Provas
Caderno Container