Foram encontradas 813 questões.
Para o controle da dureza superficial a ser feito, deverá se optar pelo ensaio
Provas
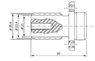
Atenção: Considere os dados abaixo para responder às questões de números 41 e 42.
O eixo estriado, representado na figura abaixo, deverá ser submetido a um processo de tratamento superficial de cementação.

Dada as propriedades mecânicas exigidas para o eixo, foi solicitado Aço-Cr-Mo com 0,4% C na liga. De acordo com a Norma ABNT, deverá ser empregado o aço ABNT
Provas
Para aumentar a pressão exercida em uma tubulação de água, sem a utilização de um pressurizador, é necessário
Provas
Ao executar a manutenção de uma válvula de descarga, o encanador identificou que o injetor da mesma encontravase entupido. Em conseqüência deste problema, provavelmente,
Provas
A distância correta do corpo do prumo de face manual em relação à superfície a ser controlada, na verificação da verticalidade de uma parede de 2,5 m de altura, é
Provas
Quando da inspeção final, após a construção do centro de recreação da prefeitura, o engenheiro responsável observou que pequenas fissuras em forma de teia de aranha eram visíveis no esmalte das placas cerâmicas que revestiam a piscina. O nome e a causa mais provável dessa patologia são, respectivamente,
Provas
I. Empresas ou estabelecimentos com 30 trabalhadores ou mais são obrigados a elaborar e a cumprir o Programa de Condições e Meio Ambiente de Trabalho na Indústria da Construção %u2013 PCMAT.
II. Instalações móveis, inclusive containeres, serão aceitas em áreas de vivência de canteiro de obras e frentes de trabalho, desde que cada módulo possua área de ventilação natural, efetiva, de no mínimo 15% da área do piso, composta por, no mínimo, duas aberturas adequadamente dispostas para permitir eficaz ventilação interna.
III. Considerando as escavações, fundações e desmonte de rochas, os materiais retirados da escavação devem ser depositados a uma distância superior à 1/3 da profundidade, medida a partir da borda do talude.
IV. É proibido colocar escada de mão nas proximidades de portas ou áreas de circulação ou onde houver risco de queda de objetos ou materiais, ou ainda, nas proximidades de aberturas e vãos.
É correto o que se afirma APENAS em
Provas
Quanto ao procedimento para assentamento de tubos de concreto utilizados em galerias de drenagem de águas pluviais, é INCORRETO afirmar:
Provas
A figura abaixo ilustra a execução de um ensaio em tubo de concreto utilizado em galerias de drenagem de águas pluviais.

Provas

Na execução de aterro de tubos em redes e galerias de drenagem de água, as figuras (I) e (II) representam, respectivamente, instalações dos tipos
Provas
Caderno Container