Foram encontradas 171 questões.
- Diodo na Engenharia Eletrônica
- Eletrônica Analógica na Engenharia Eletrônica
- Eletrônica de Potência na Engenharia Eletrônica
- Tiristor
- Transistores
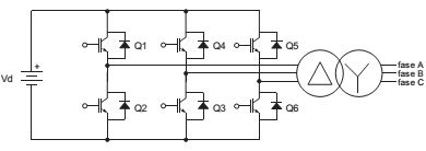
A figura abaixo mostra o bloco funcional de um inversor de 6 pulsos.

A base de funcionamento deste inversor fundamenta-se no chaveamento do

A base de funcionamento deste inversor fundamenta-se no chaveamento do
Provas
Questão presente nas seguintes provas
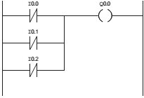
O programa desenvolvido em linguagem LADDER para um CLP possui o trecho seguinte:

Esse trecho é a síntese da expressão lógica

Esse trecho é a síntese da expressão lógica
Provas
Questão presente nas seguintes provas
De acordo com o art. 5º da lei no
8.666/1993, “todos os valores, preços e custos utilizados nas licitações terão como expressão
monetária a moeda corrente nacional, ressalvado o disposto no art. 42 desta lei”. O art. 42 trata de concorrência
Provas
Questão presente nas seguintes provas
Um certo material isolante apresenta um valor limite de campo elétrico aplicado sobre a espessura do material (kV/mm), sendo
que, a partir deste valor, os átomos que compõem o material se ionizam e o material deixa de funcionar como um isolante. Este
valor limite recebe a denominação de
Provas
Questão presente nas seguintes provas
- Instalações ElétricasEquipamentos em Baixa Tensão
- Instalações ElétricasEquipamentos em Média Tensão
- Gerenciamento de ObrasProjeto e Orçamentação
- Proteção de Sistemas ElétricosProteção em Média Tensão
- Sistemas Elétricos de PotênciaDistribuição de Energia Elétrica
Em um estabelecimento foi constatado que um dos quadros de distribuição de energia apresentava os disjuntores e todos os
seus parafusos de conexão da fiação expostos, energizados e em mau estado de conservação, caracterizando a condição
insegura de funcionamento do quadro de distribuição de energia elétrica. Tal situação contraria o dispositivo normativo da NR 10,
especificamente no item
Provas
Questão presente nas seguintes provas
- Medidas Elétricas
- Instalações ElétricasEquipamentos em Média Tensão
- Sistemas Elétricos de PotênciaDistribuição de Energia Elétrica
A figura abaixo representa o mostrador de um Wattímetro.

Na posição em que se encontra o ponteiro do wattímetro (600 W), considerando-se o erro de leitura do instrumento, o valor real da potência em W está entre:

Na posição em que se encontra o ponteiro do wattímetro (600 W), considerando-se o erro de leitura do instrumento, o valor real da potência em W está entre:
Provas
Questão presente nas seguintes provas
Considere os elementos de um osciloscópio, presentes na figura abaixo.

O sinal visualizado apresenta

O sinal visualizado apresenta
Provas
Questão presente nas seguintes provas
Considere o circuito dado abaixo.

VTh e ZTh do gerador equivalente de Thèvenin, do circuito apresentado, encontra-se, respectivamente, em
Provas
Questão presente nas seguintes provas
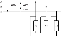
Considere o sistema trifásico a três fios representado abaixo, onde todas as impedâncias são iguais a 30 ∠ 60°Ω.

A potência em W do sistema é, aproximadamente,

A potência em W do sistema é, aproximadamente,
Provas
Questão presente nas seguintes provas
Considere as curvas C1 e C2 de um motor, suas especificações e os diagramas D1 e D2 de acionamento desse motor, que usaum relé de tempo (Y − Δ) ajustado com intervalo de tempo T1 de acionamento do contato 15-18 e atraso fixo T2 = 100 ms para o acionamento do contato 25-28:

Legenda:
Contator energizado = CE
Contator desenergizado = CD
Contato aberto = CA
Contato fechado = CF
Provas
Questão presente nas seguintes provas
Cadernos
Caderno Container