Foram encontradas 171 questões.
Considere as curvas C1 e C2 de um motor, suas especificações e os diagramas D1 e D2 de acionamento desse motor, que usaum relé de tempo (Y − Δ) ajustado com intervalo de tempo T1 de acionamento do contato 15-18 e atraso fixo T2 = 100 ms para o acionamento do contato 25-28:

Curva Representa
I a − conjugado de partida direta
II b − corrente de partida estrela-triângulo
III c − conjugado resistente
IV d − corrente de partida direta
V e − conjugado de partida estrela-triângulo
A associação correta entre as colunas encontra-se em:
Provas
Questão presente nas seguintes provas
- Instalações ElétricasEquipamentos em Média Tensão
- Instalações ElétricasSubestações
- Proteção de Sistemas ElétricosProteção em Média Tensão
- Transformadores e Máquinas ElétricasMáquinas EstáticasTransformador de Corrente
- Transformadores e Máquinas ElétricasMáquinas EstáticasTransformador de Potência
- Sistemas Elétricos de PotênciaDistribuição de Energia Elétrica
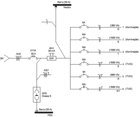
Uma subestação primária de consumidor ligada a uma tensão de 69 kV possui uma etapa conforme o esquema abaixo.

Além do equipamento de medição, esta etapa é constituída de

Além do equipamento de medição, esta etapa é constituída de
Provas
Questão presente nas seguintes provas
- Instalações ElétricasEquipamentos em Baixa Tensão
- Instalações ElétricasEquipamentos em Média Tensão
- Proteção de Sistemas ElétricosProteção em Média Tensão
- Sistemas Elétricos de PotênciaDistribuição de Energia Elétrica

Provas
Questão presente nas seguintes provas
- Instalações ElétricasEquipamentos em Baixa Tensão
- Instalações ElétricasEquipamentos em Média Tensão
- Proteção de Sistemas ElétricosProteção em Média Tensão
- Sistemas Elétricos de PotênciaDistribuição de Energia Elétrica

Provas
Questão presente nas seguintes provas
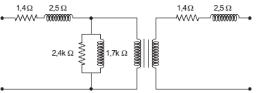
A figura abaixo representa o circuito equivalente de um transformador monofásico, cujos parâmetros foram obtidos por medidas
realizadas por um multímetro e por ensaios em vazio e em curto-circuito.

Está correto o que se afirma em:

Está correto o que se afirma em:
Provas
Questão presente nas seguintes provas
Caracterizam a lâmpada halógena PAR:
Provas
Questão presente nas seguintes provas
- Circuitos ElétricosCircuitos CACircuitos Trifásicos
- Transformadores e Máquinas ElétricasMáquinas EstáticasTransformador de Potência
Um transformador trifásico com secundário ligado em estrela fornece tensão de linha de 600 V a uma carga resistiva de 20 Ω.
Os valores aproximados da tensão de fase e das correntes de fase e de linha são:
Provas
Questão presente nas seguintes provas
Considere uma carga indutiva, cosφ = 0,8, a qual submetida à tensão v(t) = 170 cos (377t − 90°) V produz uma corrente de módulo igual a 1,3ARMS.
A potência ativa em W dissipada pela carga é, aproximadamente,
A potência ativa em W dissipada pela carga é, aproximadamente,
Provas
Questão presente nas seguintes provas
O efeito NOTCHING refere-se a um distúrbio periódico de tensão que tem como principal causa
Provas
Questão presente nas seguintes provas
- Instalações ElétricasEquipamentos em Baixa Tensão
- Instalações ElétricasEquipamentos em Média Tensão
- Proteção de Sistemas ElétricosProteção em Média Tensão
- Sistemas Elétricos de PotênciaDistribuição de Energia Elétrica
Atua com retardo de tempo quando a corrente de entrada excede um valor predeterminado, sendo a relação entre corrente de
entrada e tempo de atuação predefinida ou inversa. Trata-se de um relé de
Provas
Questão presente nas seguintes provas
Cadernos
Caderno Container