Foram encontradas 425 questões.
O gênero Streptococcus é formado por bactérias Gram-positivas, em forma de cocos, que se arranjam em cadeias de comprimento variável, são catalase negativas, anaeróbias facultativas e imóveis. São microrganismos que causam infecções supurativas em diversas espécies animais e no ser humano. Em relação às infecções estreptocócicas nos animais, analise as assertivas abaixo:
I. Empiema das bolsas guturais de equino geralmente é um problema unilateral, sendo causado pelo Streptococcus Equi.
II. A espécie Streptococcus Agalactiae, uma das envolvidas na etiologia da mastite bovina, pode ser identificada no laboratório através do teste de CAMP.
III. Na suinocultura, meningite estreptocócica, causada pelo Streptococcus Suis, é uma doença que afeta principalmente leitões entre o desmame e o abate.
IV. A proteína M, presente na parede celular de algumas espécies de estreptococos, age como um fator de patogenicidade por ser antifagocitária.
Quais estão corretas?
Provas
Icterícia é o nome dado ao sinal clínico que se caracteriza pela coloração amarelada decorrente da deposição de bilirrubina em tecidos ricos em elastina, devido à elevada concentração plasmática. A icterícia ocorre por alterações no metabolismo ou na excreção de bilirrubina, sendo classificada em pré-hepática, hepática ou pós-hepática. Em relação ao tema, analise as assertivas abaixo, assinalando V, se verdadeiras, ou F, se falsas.
( ) A bilirrubina é formada a partir do metabolismo da hemoglobina, que provém das hemácias recém-formadas na medula óssea de alguns ossos.
( ) Depois de um período de vida útil, as hemácias são destruídas no baço.
( ) Bovinos infectados por Anaplasma marginale podem apresentar icterícia pré-hepática como consequência de hemólise intravascular.
( ) Obstrução do fluxo biliar (colestase) extra-hepática pode ser uma das causas de icterícia.
A ordem correta de preenchimento dos parênteses, de cima para baixo, é:
Provas
Durante o atendimento a um cavalo que manifestou algumas alterações após um exercício físico de intensidade maior do que estava acostumado, o animal apresentou rigidez muscular, dor à palpação dos músculos do lombo e glúteo, tremores musculares, sudorese excessiva, taquicardia, taquipneia e eliminação de urina de coloração escura. Considerando o trecho acima, o médico-veterinário concluiu que esse é um caso compatível com o diagnóstico de:
Provas
Fasciolose é uma doença parasitária causada pelo platelminto da classe Trematoda que, além dos herbívoros, principalmente ovinos e bovinos, também pode ocorrer nos humanos, caracterizando assim seu potencial zoonótico. Em relação à doença, etiologia, ciclo de vida do agente, epidemiologia e tratamento, analise as assertivas a seguir:
I. A espécie Fasciola hepatica é encontrada no Sul do Brasil, enquanto Fasciola gigantica é mais frequentemente identificada na região Norte do País.
II. A prevalência dessa doença está relacionada às condições ambientais que possam favorecer o desenvolvimento do agente etiológico, que não necessita de hospedeiro intermediário.
III. Triclabendazole é um fasciolicida que apresenta ação contra as formas imaturas, jovens e adultas da F. hepatica.
Quais estão corretas?
Provas
No mês de julho de 2024, no município de Anta Gorda/RS, foi registrado um foco da doença de Newcastle em um aviário comercial. O serviço oficial de vigilância sanitária realizou o abate e enterramento dos animais da granja, fiscalização e desinfecção de veículos, assim como a vigilância sanitária em uma área compreendida num raio de 3 km em torno da propriedade-alvo. Nada sendo constatado, o alerta de vigilância epidemiológica foi suspenso, e as atividades retornaram à normalidade. Em relação à doença de Newcastle, assinale a alternativa correta.
Provas
De acordo com Lehninger, Nelson e Cox (2014), níveis normais de glicose no sangue são de até 99 mg/dl pré-prandial (período que antecede a alimentação), e até 140 mg/dl pós-prandial (1 ou 2 horas após a alimentação). Níveis alterados desses valores podem sugerir crises hiperglicêmicas ou hipoglicêmicas. O hormônio que atua elevando o nível da glicose sanguínea é o(a):
Provas
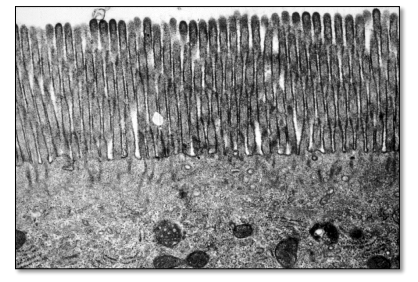
Analise a figura abaixo:

Trata-se de uma ultramicrofotografia de células do epitélio de revestimento do(a) ____________, evidenciando os(as) ______________, especializações da membrana plasmática que aumentam a superfície de absorção.
Assinale a alternativa que preenche, correta e respectivamente, as lacunas do trecho acima.
Provas
A reprodução mais comum nas bactérias é assexuada. Nesse processo, ocorre a duplicação do DNA bacteriano e uma posterior divisão em duas células. As bactérias multiplicam-se por esse processo muito rapidamente quando dispõem de condições favoráveis. O tipo de reprodução das bactérias descrito acima é denominado:
Provas
Disciplina: Legislação Municipal
Banca: FUNDATEC
Orgão: Pref. Passo Sobrado-RS
Para responder às questões 16 a 21, considere o Plano de Carreira do Magistério Público do Município de Passo do Sobrado, Lei Municipal nº 474/2000.
Segundo o seu art. 23, a Comissão de Avaliação da Promoção será constituída por:
I. Um professor do Conselho Municipal da Educação.
II. Um professor indicado pelo chefe do Poder Executivo.
III. Um representante da Secretaria Municipal da Educação, Cultura e Desporto.
Quais estão corretas?
Provas
Disciplina: Legislação Municipal
Banca: FUNDATEC
Orgão: Pref. Passo Sobrado-RS
A respeito dos serviços extraordinários, conforme disposto no Regime Jurídico dos Servidores Públicos do Município de Passo do Sobrado, analise as assertivas abaixo:
I. O serviço extraordinário, excepcionalmente, poderá ser realizado sob a forma de plantões para assegurar o funcionamento dos serviços municipais ininterruptos.
II. A prestação de serviços extraordinários só poderá ocorrer por expressa determinação da autoridade competente, mediante solicitação fundamentada do chefe da repartição, ou de ofício.
III. O serviço extraordinário será remunerado por hora de trabalho que exceda o período normal, com acréscimo de 100% em relação à hora normal.
Quais estão corretas?
Provas
Caderno Container