Magna Concursos

Foram encontradas 40 questões.

Em uma gaveta, há apenas copos e pratos, de modo que a razão entre a quantidade de copos e a quantidade de pratos é, nessa ordem, 7/5. Além disso, a diferença entre a quantidade de copos e a quantidade de pratos é 10. Se um item dessa gaveta for selecionado aleatoriamente, qual a probabilidade de ser um prato?

 

Provas

Questão presente nas seguintes provas
3825692 Ano: 2024
Disciplina: Engenharia Civil
Banca: Consulplan
Orgão: Pref. Miracema-RJ
Provas:
No dimensionamento do coletor predial e dos subcoletores em prédios residenciais para esgoto sanitário, deve ser considerado apenas o aparelho de maior descarga de cada banheiro para a somatória do número de Unidades de Hunter de Contribuição (UHC). Nos demais casos, devem ser considerados todos os aparelhos contribuintes para o cálculo do número de UHC. Sendo assim, o coletor predial deverá ter diâmetro nominal mínimo, em milímetros, de:
 

Provas

Questão presente nas seguintes provas
3825691 Ano: 2024
Disciplina: Engenharia Civil
Banca: Consulplan
Orgão: Pref. Miracema-RJ
Provas:

Observe a imagem a seguir:

Enunciado 4752240-1

Uma condição necessária para que uma viga seja deste tipo é que o número de componentes de reação de apoio sejam iguais ao número de equações de equilíbrio. A imagem mostra as forças aplicadas, que constituem carregamentos hipotéticos e reações de apoio correspondentes. A este tipo de estrutura dá-se o nome de:

 

Provas

Questão presente nas seguintes provas
3825690 Ano: 2024
Disciplina: Engenharia Civil
Banca: Consulplan
Orgão: Pref. Miracema-RJ
Provas:

Observe a imagem a seguir:

Enunciado 4752239-1

Sabe-se que a rede de drenagem pluvial é um sistema de canais e tubulações projetado para coletar e direcionar a água da chuva, prevenindo inundações e alagamentos em áreas urbanas. Essa infraestrutura é crucial para o gerenciamento adequado das águas pluviais. Sob a rede deve-se assentar os tubos em material, conforme especificado na imagem. Podemos afirmar que o material poderá ser:

 

Provas

Questão presente nas seguintes provas
3825689 Ano: 2024
Disciplina: Engenharia Civil
Banca: Consulplan
Orgão: Pref. Miracema-RJ
Provas:
Deve-se conhecer os diversos tipos de materiais de construção para poder identificá-los em obra, bem como suas funções no empreendimento. O tipo de acabamento liso, que consiste em uma mistura de cimento e água, normalmente na proporção 5:1 (água/cimento em volume), aplicada sobre uma superfície de argamassa e espalhada com o uso de uma desempenadeira com movimentos circulares é:
 

Provas

Questão presente nas seguintes provas
3825688 Ano: 2024
Disciplina: Engenharia Elétrica
Banca: Consulplan
Orgão: Pref. Miracema-RJ
Provas:

Observe a linha elétrica a seguir:

Enunciado 4752237-1

Uma linha elétrica refere-se a um sistema de condutores, geralmente fios ou cabos, utilizados para transmitir eletricidade de um ponto a outro. Essas linhas desempenham um papel crucial na distribuição de energia elétrica, desde as instalações de geração até os pontos de consumo, como residências, empresas e indústrias. Na imagem mostrada, a linha elétrica corresponde a:

 

Provas

Questão presente nas seguintes provas
3825687 Ano: 2024
Disciplina: Engenharia Civil
Banca: Consulplan
Orgão: Pref. Miracema-RJ
Provas:
“Trata-se do atrito lateral que solicita estacas ou tubulões, quando o recalque do solo adjacente é maior do que o recalque dos elementos de fundação. Esse fenômeno ocorre no caso de o solo estar em processo de adensamento, provocado pelo seu peso próprio, por sobrecargas lançadas na superfície, por rebaixamento do lençol freático, pelo amolgamento da camada mole compressível decorrente de execução de estaqueamento.” As informações se referem ao atrito
 

Provas

Questão presente nas seguintes provas
3825686 Ano: 2024
Disciplina: Legislação Municipal
Banca: Consulplan
Orgão: Pref. Miracema-RJ
Provas:
Toda e qualquer construção, reforma e ampliação de edifícios, efetuada por particulares ou entidades públicas, a qualquer título, no Município de Miracema, é regulada pelo sistema de obras municipal. Quanto ao trâmite de aprovação de projetos de engenharia/arquitetura, após a aprovação do mesmo, o município, mediante o pagamento das taxas, emolumentos e ISS, fornecerá a licença de construção válida por doze meses, contados da sua expedição, não podendo o interessado, sob pena de embargo e multa, dar início à obra sem esse documento. Diante do exposto, assinale a afirmativa correta.
 

Provas

Questão presente nas seguintes provas
3825685 Ano: 2024
Disciplina: Engenharia Civil
Banca: Consulplan
Orgão: Pref. Miracema-RJ
Provas:

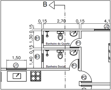
Observe a imagem a seguir:

Enunciado 4752234-1

A área de azulejo a ser empregada nas paredes dos banheiros, tendo em vista que serão assentados até o teto, bem como o pé-direito é de 2,80 m; a porta P1 1,00 x 2,10 m; e, o basculante B1 0,70 x 0,70 m, corresponde a:

 

Provas

Questão presente nas seguintes provas
3825684 Ano: 2024
Disciplina: Legislação Municipal
Banca: Consulplan
Orgão: Pref. Miracema-RJ
Provas:
O Código de Posturas é um conjunto de normas e regulamentos estabelecidos pela municipalidade para regular o comportamento e as atividades dos cidadãos em sua jurisdição. Essas regras podem abordar uma variedade de assuntos, como construção, uso da terra, barulho, higiene e outras questões relacionadas ao ambiente urbano. Em Miracema os açougues e matadouros deverão atender, além das exigências legais, as seguintes determinações:

I. Dispor de armação de ferro ou aço polido, fixada nas paredes ou no teto, na qual se prenderão, em suspenso, por meio de ganchos do mesmo material, os quartos de redes para talho.
II. Os ralos deverão ser desinfetados uma vez por semana.
III. Os utensílios de manipulação devem ser desinfetados a cada duas semanas.
IV. Dispor de iluminação artificial.

Está correto o que se afirma apenas em
 

Provas

Questão presente nas seguintes provas