Foram encontradas 50 questões.
Provas
Provas

Provas
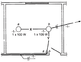
Disciplina: Desenho Técnico e Industrial
Banca: BIO-RIO
Orgão: Pref. Mesquita-RJ

Provas
Provas

Provas
João e Maria vão jogar “Passinho prá frente, passinho prá trás”. O jogo é assim: Maria faz cara-ou-coroa com uma moeda. Se der cara, João dá um passinho à frente, se der coroa, dá um passinho para trás. Em seguida, com João na nova posição, Maria faz outro cara-ou-coroa. Se der cara, João dá outro passinho à frente, se der coroa, dá um passinho para trás. A seguir, Maria faz outro cara ou- coroa, com João na nova posição. Novamente, se der cara, João dá um passinho à frente, se der coros, passinho para trás. Após esses três caras-ou-coroas, verifica-se a posição de João. Se ele estiver a um passinho ou menos de distância de sua posição inicial, Maria ganha. Se estiver a dois ou três passinhos de sua posição inicial, João ganha. Assim a chance de Maria ganhar o jogo é igual a:
Provas
Disciplina: Desenho Técnico e Industrial
Banca: BIO-RIO
Orgão: Pref. Mesquita-RJ

Provas
Provas

Provas
Caderno Container