Foram encontradas 885 questões.
De acordo com as Temperaturas máximas das
superfícies externas dos equipamentos elétricos
dispostos no interior da zona de alcance normal,
as superfícies metálicas acessíveis, mas não
destinadas a serem tocadas em serviço normal,
deve apresentar temperatura máxima de:
Provas
Questão presente nas seguintes provas
3872469
Ano: 2024
Disciplina: Engenharia Elétrica
Banca: Avança SP
Orgão: Pref. Juquitiba-SP
Disciplina: Engenharia Elétrica
Banca: Avança SP
Orgão: Pref. Juquitiba-SP
Provas:
Em instalações elétricas prediais as barreiras ou
invólucros são usados para:
Provas
Questão presente nas seguintes provas
Em uma rede elétrica aérea de distribuição, o
cabo de aço, tracionado, conectando um ponto do
suporte a uma ancoragem, ou entre dois pontos
de suporte é denominado:
Provas
Questão presente nas seguintes provas
3872467
Ano: 2024
Disciplina: Engenharia Elétrica
Banca: Avança SP
Orgão: Pref. Juquitiba-SP
Disciplina: Engenharia Elétrica
Banca: Avança SP
Orgão: Pref. Juquitiba-SP
Provas:
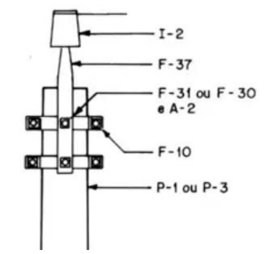
De acordo com a composição de uma linha aérea
de distribuição de energia, assinale a alternativa
que descreve corretamente qual é o elemento
representado pela indicação F-37 na imagem:
Fonte: 1 NBR 05434 Redes de Distribuição Aérea Urbana de Energia Elétrica
Fonte: 1 NBR 05434 Redes de Distribuição Aérea Urbana de Energia ElétricaProvas
Questão presente nas seguintes provas
3872466
Ano: 2024
Disciplina: Engenharia Elétrica
Banca: Avança SP
Orgão: Pref. Juquitiba-SP
Disciplina: Engenharia Elétrica
Banca: Avança SP
Orgão: Pref. Juquitiba-SP
Provas:
É correto afirmar que é uma das vantagens
existentes da linha de distribuição de energia
subterrânea em comparação à rede aérea é:
Provas
Questão presente nas seguintes provas
A parte de um sistema de energia aérea que
distribui energia elétrica para uso local é
denominada:
Provas
Questão presente nas seguintes provas
3872464
Ano: 2024
Disciplina: Segurança e Saúde no Trabalho (SST)
Banca: Avança SP
Orgão: Pref. Juquitiba-SP
Disciplina: Segurança e Saúde no Trabalho (SST)
Banca: Avança SP
Orgão: Pref. Juquitiba-SP
Provas:
Com relação aos Equipamentos de Proteção
Individual pertinentes ao eletricista, é correto
afirmar que é uma das atribuições do trabalhador:
Provas
Questão presente nas seguintes provas
3872463
Ano: 2024
Disciplina: Segurança e Saúde no Trabalho (SST)
Banca: Avança SP
Orgão: Pref. Juquitiba-SP
Disciplina: Segurança e Saúde no Trabalho (SST)
Banca: Avança SP
Orgão: Pref. Juquitiba-SP
Provas:
Qual dos Equipamentos de Proteção Individual
listados a seguir deve ser usado pelo eletricista
para proteção contra choque elétrico:
Provas
Questão presente nas seguintes provas
Duas circunferências de raio r serão inscritas dentro de uma circunferência maior, de raio R, conforme a figura:

Se a área da circunferência menor é Ar, a área da circunferência maior será:
Provas
Questão presente nas seguintes provas
Alguns cuidados devem ser observados pelos profissionais que trabalham em creches em relação à sua conduta para com as crianças. Nesse cenário, é falsa a afirmativa:
Provas
Questão presente nas seguintes provas
Cadernos
Caderno Container