Foram encontradas 30 questões.
Uma tomada é instalada em um circuito monofásico de uma instalação elétrica residencial alimentada por tensões trifásicas de linha iguais a 380 V eficazes, com barramento de neutro e com barramento de terra, seguindo o padrão da Norma Brasileira (NBR) n. 14136 da Associação Brasileira de Normas Técnicas (ABNT). A tomada monofásica foi montada seguindo as recomendações dessa norma e está representada pela figura a seguir.

As tensões foram medidas com um voltímetro entre os terminais A e B, B e C, e A e C, respectivamente, indicados na figura. Os valores corretos esperados para as tensões medidas são:
Provas
A figura a seguir mostra quatro componentes de um quadro de acionamento de motores de indução.

O componente responsável pela proteção contra sobrecarga do motor está indicado em qual número?
Provas
A Figura a seguir representa o projeto elétrico de uma residência, seguindo as normas técnicas.

No projeto apresentado, o que o símbolo destacado com um retângulo e um asterisco representa?
Provas
A Figura a seguir apresenta o display de um multímetro digital durante a medição de uma grandeza elétrica

Qual é a grandeza elétrica apresentada no multímetro?
Provas
Considere a curva de atuação “tempo x corrente” de um dispositivo de interrupção de corrente sob carga, conforme a Figura 1, a seguir.
Figura 1

A figura 2, a seguir, apresenta quatro diferentes dispositivos de interrupção de corrente sob carga.
Figura 2

Qual dos quatro dispositivos apresentados na Figura 2 pode ser associado à curva de atuação “tempo x corrente” da Figura 1?
Provas
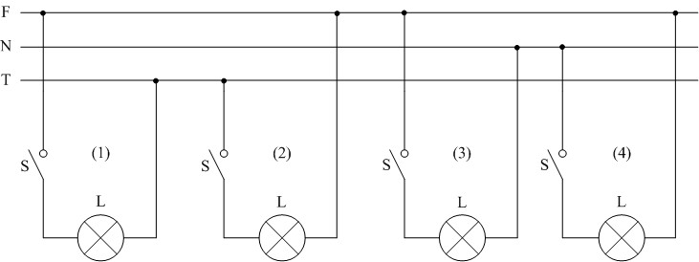
O circuito elétrico representado pela figura a seguir mostra um condutor de Fase (F), um condutor de Neutro (N) e um condutor de Terra (T). A figura também mostra quatro circuitos, numerados de 1 a 4, cada um deles alimentando uma lâmpada (L) por meio de um interruptor (S).

A lâmpada (L) irá acender com o fechamento do interruptor (S) em todos os casos, no entanto, apenas um dos circuitos está instalado de acordo com as recomendações da Norma Brasileira (NBR) n. 5410 da Associação Brasileira de Normas Técnicas (ABNT), que trata de instalações elétricas de baixa tensão. Qual dos circuitos de alimentação de lâmpadas atende às recomendações da ABNT NBR 5410?
Provas
Uma das preocupações centrais no projeto e na execução de instalações elétricas é a segurança das instalações e das pessoas com relação a eventos como curtos-circuitos, choques elétricos e surtos de tensão. Qual o dispositivo usado para desligar o sistema na presença de pequenas fugas de corrente?
Provas
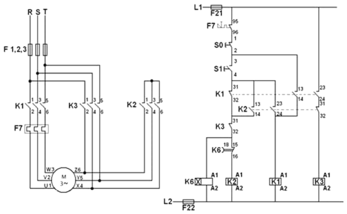
Veja a figura a seguir.

Disponível em <https://www.sabereletrica.com.br/partida-direta-e-indireta/>. Acesso em: 09 set. 2022.
A figura representa um sistema de partida de motor de indução trifásico. A partida do motor é realizada pressionando-se a botoeira S1. Ao tentar partir o motor, o operador acionou a botoeira S1, porém, o motor não partiu e se manteve vibrando e emitindo um ruído de vibração semelhante ao zumbido de abelhas. Dentre as opções a seguir, qual delas é a causa compatível com o comportamento descrito?
Provas
A criação da capitania de Mato Grosso no século XVIII consolida a efetiva exploração colonial do território mato-grossense. No campo econômico, a criação da capitania de Mato Grosso está relacionada com
Provas
- Geografia do BrasilEstados e DFGeografia do Mato Grosso
- Geografia do BrasilMeio Ambiente do BrasilProblemas e Catastrofes ambientais 2
Leia o texto a seguir.
Dados do Instituto do Homem e Meio Ambiente da Amazônia (Imazon) apontam que Mato Grosso foi o que mais desmatou em janeiro e fevereiro deste ano, se comparado aos nove estados que compõem a Amazônia Legal. Apenas em fevereiro, 96 km² de floresta foram derrubados em solo mato-grossense, o que corresponde a 32% do total. O estado também registrou a maior alta na devastação em relação a fevereiro do ano passado, de 300%.
Disponível em: <https://g1.globo.com/mt/mato-grosso/noticia/2022/04/14/mt-lidera-o-ranking-de-desmatamento-da-amazonia-pelo-3o-mes-consecutivo-diz-pesquisa.ghtml>. Acesso em: 31 ago. 2022.
O aumento do desmatamento é causado principalmente por qual atividade econômica?
Provas
Caderno Container