Foram encontradas 60 questões.
Nos projetos de instalação de bombeamento, os fabricantes fornecem
gráficos de seleção das bombas para um determinado campo de aplicação. Os fabricantes fornecem, ainda curvas características visando a obtenção de melhor condições de funcionamento e de rendimento. A Figura 1, mostra uma curva característica com a variável Vazão (Q) versus Altura Manométrica (Hman).


Provas
Questão presente nas seguintes provas
A água (Fluido ideal)
escoa em um tubo de diâmetro a uma velocidade
V A = 1m/s no ponto "A" indicado na Figura 1.
É ligado a esse tubo, no ponto "A", um piezômetro que marca 0,25 m de coluna de água. O ponto
"A" está à altura de 11 m em relação ao plano de
referência. A água que escoa no tubo "A"sofre uma
redução no trecho "B" de diâmetro dB ligado onde
foi instalado um manômetro que indica uma pressão de P = 9.000kgf /m2
. O ponto "B"encontra-se
a 2,1m, em relação ao plano de referência (Yagua =
1.000kgf /m3
; g = 10m/s2
). De posse dessas informações, podemos afirmar que a velocidade da água
escoando no ponto "B" é igual a:


Provas
Questão presente nas seguintes provas
Um líquido ideal, incompressível, escoa em regime permanente em trecho de tubulação na seção (1). No trecho (2) do
tubo, ocorre uma redução. Se o trecho do diâmetro do tubo na seção (1) é o dobro do trecho da redução
na seção (2). Podemos afirmar que a expressão para
a velocidade na seção (2) para esse escoamento é:


Provas
Questão presente nas seguintes provas
Um engenheiro resolve climatizar sua residência no período do verão
e pretende manter o ar interior a 20° C quando a
temperatura externa é 35°C. Energia é removida
por transferência de calor da residência a uma taxa
de 6000 J/s enquanto a potência de entrada do ar-condicionado é de 2 kW. É possível afirmar que:
I. O coeficiente de desempenho desse aparelho é menor que o COP máximo; II. O coeficiente de desempenho desse aparelho é maior que o COP máximo; III. É possível determinar o trabalho mínimo do compressor do aparelho.
I. O coeficiente de desempenho desse aparelho é menor que o COP máximo; II. O coeficiente de desempenho desse aparelho é maior que o COP máximo; III. É possível determinar o trabalho mínimo do compressor do aparelho.
Provas
Questão presente nas seguintes provas
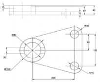
A peça em perspectiva, na figura abaixo, possui duas vistas ortogonais
ao lado. É possível afirmar que
I. As vistas representadas constituem a frontal e superior respectivamente; II. Estão representadas no 1º diedro; III. Não é possível determinar a vista lateral esquerda.
I. As vistas representadas constituem a frontal e superior respectivamente; II. Estão representadas no 1º diedro; III. Não é possível determinar a vista lateral esquerda.
Provas
Questão presente nas seguintes provas
Em relação aos componentes do sistema de compressão a vapor utilizado em condicionamento de ar, é possível afirmar
que:
I. O evaporador é um trocador de calor presente na linha de baixa pressão e sua função é evaporar o fluido que está dentro dele retirando calor do ambiente; II. Não ocorre nenhuma mudança de fase nem de pressão do fluido ao passar pela válvula de expansão; III. O condensador também é um trocador de calor empregado em circuito de refrigeração e ar condicionado e tem por objetivo condensar o fluido refrigerante proveniente do compressor, rejeitando o calor adquirido no sistema.
I. O evaporador é um trocador de calor presente na linha de baixa pressão e sua função é evaporar o fluido que está dentro dele retirando calor do ambiente; II. Não ocorre nenhuma mudança de fase nem de pressão do fluido ao passar pela válvula de expansão; III. O condensador também é um trocador de calor empregado em circuito de refrigeração e ar condicionado e tem por objetivo condensar o fluido refrigerante proveniente do compressor, rejeitando o calor adquirido no sistema.
Provas
Questão presente nas seguintes provas
Um sistema massamola-amortecedor é submetido à vibração livre,
amortecida com um grau de liberdade. O sistema possui massa igual a 8 kg e rigidez igual a 32
N/m. Se o coeficiente de amortecimento é igual a
20 N.s/m, qual é o valor do fator de amortecimento
ξ, e da frequência de vibração amortecida em rad/s
respectivamente?


Provas
Questão presente nas seguintes provas
Qual dos gráficos
abaixo melhor representa um sistema subamortecido?
Provas
Questão presente nas seguintes provas
A utilização de atalhos permite que o usuário realize tarefas com mais
agilidade minimizando a utilização do mouse. Nos
editores de texto a utilização de teclas de atalho é
mais útil, sendo comum a memorização dos principais atalhos. Qual a combinação de teclas a serem
utilizadas no editor de texto do Google Docs para
obter o mesmo resultado das teclas Ctrl + T no Microsoft Word?
Provas
Questão presente nas seguintes provas
Sobre o Modelo de
Cinco Fatores de Personalidade, assinale a alternativa INCORRETA.
Provas
Questão presente nas seguintes provas
Cadernos
Caderno Container