Foram encontradas 292 questões.
Assinale a alternativa que indica corretamente o tipo de junta de soldagem apresentado na imagem abaixo.

Provas
Analise as afirmativas abaixo em relação às funções básicas do revestimento do eletrodo de soldagem por eletrodo revestido.
1. Proteger o arco contra o Oxigênio e Nitrogênio do ar, através dos gases gerados pela decomposição do revestimento em alta temperatura.
2. Aumentar a velocidade de solidificação e impedir a desgaseificação do metal de solda através da escória.
3. Constituir-se em condutor elétrico na soldagem em chanfros estreitos ou de difícil acesso.
4. Facilitar a abertura e estabilizar o arco.
Assinale a alternativa que indica todas as afirmativas corretas.
Provas
Para facilitar a desmontagem e obter melhor proteção do pneu e do aro, é recomendado lubrificar a área entre o aro e:
Provas
O tipo de ferramenta ilustrada ao lado recebe o nome de:

Provas
O componente do motor de combustão interna, responsável por reduzir o atrito entre o virabrequim e o bloco do motor, garantindo o suporte às cargas de alto impacto causadas pela combustão que ocorre no motor, é conhecido como:
Provas
Considere o tipo de acessório para conjunto de catraca e soquetes ilustrado abaixo:

Recebe o nome de:
Provas
O tipo de ferramenta ilustrado na imagem abaixo recebe o nome de:

Provas
O tipo de alicate apresentado na imagem abaixo recebe o nome de:

Provas
Apesar de convencionalmente ser utilizada a unidade de kWh para medir energia elétrica, esta não é a unidade do sistema internacional para a medição de energia.
Assinale a alternativa que indica corretamente a unidade para medir energia do sistema internacional.
Provas
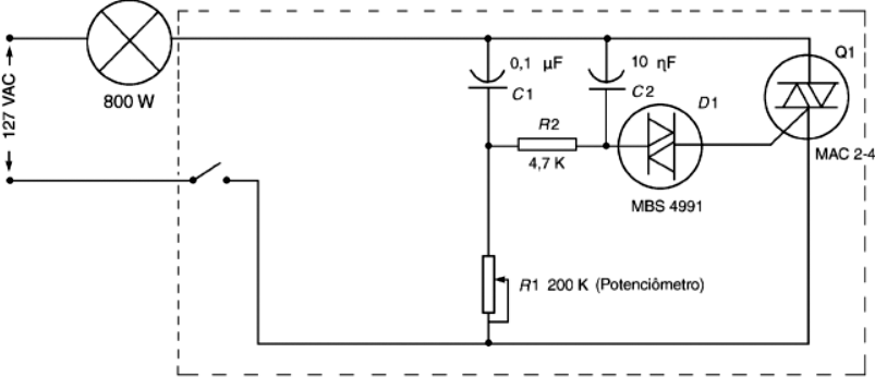
Analise a figura abaixo:

Assinale a alternativa que descreve corretamente a funcionalidade do sistema apresentado na figura.
Provas
Caderno Container