Foram encontradas 2.369 questões.
3019292
Ano: 2024
Disciplina: Legislação de Trânsito
Banca: FGV
Orgão: Pref. Caraguatatuba-SP
Disciplina: Legislação de Trânsito
Banca: FGV
Orgão: Pref. Caraguatatuba-SP
Provas:
As figuras a seguir apresentam três cruzamentos em que não há sinalização indicativa de preferência.

As preferências nas situações 1, 2 e 3 são, respectivamente, dos veículos

As preferências nas situações 1, 2 e 3 são, respectivamente, dos veículos
Provas
Questão presente nas seguintes provas
A figura a seguir apresenta um multímetro típico.

Com o intuito de medir a tensão em uma tomada, isto é, para saber se a tomada é de 110V ou 220V, a escala de medida a ser utilizada está na região indicada pelo número

Com o intuito de medir a tensão em uma tomada, isto é, para saber se a tomada é de 110V ou 220V, a escala de medida a ser utilizada está na região indicada pelo número
Provas
Questão presente nas seguintes provas
Atenção: o enunciado a seguir refere-se à próxima questão.
A figura a seguir ilustra o diagrama elétrico de iluminação de um automóvel.

Provas
Questão presente nas seguintes provas
Em algumas aplicações automotivas, é necessário aumentar a intensidade do campo eletromagnético criado pela passagem de uma corrente elétrica por um fio.
Para tanto, pode-se
Para tanto, pode-se
Provas
Questão presente nas seguintes provas
Atenção: o enunciado a seguir refere-se à próxima questão.
A figura a seguir ilustra o diagrama elétrico de iluminação de um automóvel.

Provas
Questão presente nas seguintes provas
3019287
Ano: 2024
Disciplina: Direito da Criança e do Adolescente
Banca: FGV
Orgão: Pref. Caraguatatuba-SP
Disciplina: Direito da Criança e do Adolescente
Banca: FGV
Orgão: Pref. Caraguatatuba-SP
Provas:
À luz do Estatuto da Criança e do Adolescente, no que diz respeito aos produtos e serviços comercializados a crianças e adolescentes, analise as afirmativas a seguir.
I. É proibida a venda de bebidas alcoólicas tanto à criança quanto ao adolescente.
II. É permitida a venda de bilhetes lotéricos somente ao adolescente com idade maior do que quatorze anos.
III. A hospedagem de adolescentes com idade superior a dezesseis anos em hotéis é permitida, não sendo necessária a presença dos pais, responsável ou autorização desses para tal.
Está correto o que se afirma em
I. É proibida a venda de bebidas alcoólicas tanto à criança quanto ao adolescente.
II. É permitida a venda de bilhetes lotéricos somente ao adolescente com idade maior do que quatorze anos.
III. A hospedagem de adolescentes com idade superior a dezesseis anos em hotéis é permitida, não sendo necessária a presença dos pais, responsável ou autorização desses para tal.
Está correto o que se afirma em
Provas
Questão presente nas seguintes provas
3019286
Ano: 2024
Disciplina: Legislação de Trânsito
Banca: FGV
Orgão: Pref. Caraguatatuba-SP
Disciplina: Legislação de Trânsito
Banca: FGV
Orgão: Pref. Caraguatatuba-SP
Provas:
As lingas acoplam a carga a ser movimentada ao meio de elevação, conforme esquematicamente apresentado a seguir.

As lingas podem ser de diferentes tipos e materiais, dependendo, dentre outros aspectos da carga a ser movimentada. Caso se deseje movimentar uma carga com cantos vivos, um tipo de linga que pode ser utilizado é formado por

As lingas podem ser de diferentes tipos e materiais, dependendo, dentre outros aspectos da carga a ser movimentada. Caso se deseje movimentar uma carga com cantos vivos, um tipo de linga que pode ser utilizado é formado por
Provas
Questão presente nas seguintes provas
Ao descer uma ladeira com um trator, o motorista deve utilizar
Provas
Questão presente nas seguintes provas
A condutividade elétrica de um material está relacionada à capacidade desse material em transportar suas cargas elétricas, sendo tanto maior quanto maior for essa capacidade.
Entre os materiais apresentados a seguir, aquele que apresenta a menor condutividade elétrica, ou seja, o melhor isolante elétrico é
Entre os materiais apresentados a seguir, aquele que apresenta a menor condutividade elétrica, ou seja, o melhor isolante elétrico é
Provas
Questão presente nas seguintes provas
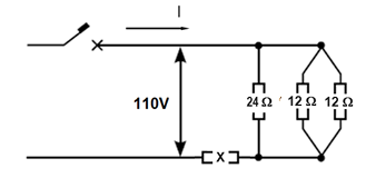
Atenção: use a figura a seguir, que ilustra um circuito elétrico alimentado a 110 V com quatro resistências, para responder à próxima questão.

I. O circuito é misto, pois apresenta resistências em série e em paralelo.
II. A intensidade da corrente passando pela resistência de 24Ω é igual àquela observada nas resistências de 12Ω.
III. Há uma queda de tensão na resistência de 6,2Ω.
Está correto o que se afirma em
Provas
Questão presente nas seguintes provas
Cadernos
Caderno Container