Foram encontradas 817 questões.
Provas
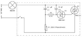
A figura abaixo mostra um circuito de dimerização muito utilização em sistemas de iluminação.

Fonte: Instalações Elétricas, Helio Creder: LTC: 2016
Assinale a alternativa que apresenta a nomenclatura dos semicondutores do circuito.
Provas
Analise a figura de uma instalação elétrica abaixo:

Assinale a alternativa correta em relação à figura.
Provas
Analise a figura abaixo:

Fonte: Instrumentação e fundamentos de medidas, v.2 / Alexandre Balbinot, Valner João Brusamarello. - 2.ed. - RJ : LTC, 2011.
Analise as afirmativas abaixo em relação à figura.
1. O instrumento de medida está configurado para medir tensão elétrica.
2. A corrente nas lâmpadas será igual independente da potência delas.
3. A tensão nas lâmpadas será igual independente do valor de resistência delas.
Assinale a alternativa que indica todas as afirmativas corretas.
Provas
1. Ao aumentar o fator de potência com o uso de capacitores, a instalação elétrica terá menor corrente elétrica, mantendo o consumo de potência ativa.
2. Ao colocar capacitores em paralelo com a instalação elétrica e melhorar o fator de potência, haverá um aumento da corrente e aumento do consumo de potência reativa.
3. Ao aumentar o fator de potência, a potência aparente e reativa são reduzidas, enquanto a potência ativa permanece inalterada.
Assinale a alternativa que indica todas as afirmativas corretas.
Provas
Qual a resistência equivalente da conexão?
Provas
Sabendo que 1 CV = 735,5 W, qual a corrente nominal do motor?
Provas
- Disposições Gerais do Código de Defesa do Consumidor
- Das Disposições Gerais do Código de Defesa do ConsumidorSistema Nacional de Defesa do Consumidor
1. prestar aos consumidores orientação permanente sobre seus direitos e garantias.
2. solicitar o concurso de órgãos e entidades de notória especialização técnico-científica para a consecução de seus objetivos.
3. representar ao Ministério Público competente, para fins de adoção de medidas processuais, penais e civis, no âmbito de suas atribuições.
4. solicitar à polícia judiciária a instauração de inquérito para apuração de delito contra o consumidor, nos termos da legislação vigente.
Assinale a alternativa que indica todas as afirmativas corretas.
Provas
1. endereço físico e eletrônico, e demais informações necessárias para sua localização e contato.
2. preço do produto ou do serviço, sem despesas adicionais ou acessórias, tais como as de entrega ou seguros.
3. características essenciais do produto ou do serviço, incluídos os riscos à saúde e à segurança dos consumidores.
4. condições integrais da oferta, incluídas modalidades de pagamento, disponibilidade, forma e prazo da execução do serviço ou da entrega ou disponibilização do produto.
Assinale a alternativa que indica todas as afirmativas corretas.
Provas
1. O consumidor terá o direito de acesso ao histórico de suas demandas, sem ônus.
2. O acesso ao SAC estará disponível, ininterruptamente, durante vinte e quatro horas por dia, sete dias por semana.
3. O acesso ao SAC será gratuito e o atendimento das demandas não acarretará ônus para o consumidor.
4. É permitida a veiculação de mensagens publicitárias durante o tempo de espera para o atendimento, independentemente de consentimento prévio do consumidor.
Assinale a alternativa que indica todas as afirmativas corretas.
Provas
Caderno Container