Foram encontradas 40 questões.
Um motor de indução trifásico de 380 Vca precisa ser
ligado a uma rede elétrica monofásica de 220 Vca.
Assinale a alternativa que representa a solução correta
para essa conexão:
Provas
Questão presente nas seguintes provas
Na instalação de sistemas de proteção contra descargas
atmosféricas (SPDA), podem ser utilizados diversos tipos
de materiais, conforme as condições de instalação e os
requisitos normativos. Assinale a alternativa que
representa corretamente quais materiais podem ser
utilizados diretamente enterrados.
Provas
Questão presente nas seguintes provas
Em um circuito trifásico de 220Vca foi medida uma
corrente elétrica específica em cada fase: Fase A: 13,4A;
Fase B: 9,5A; Fase C: 34,2A. Assinale a alternativa que
representa a potência elétrica aparente total desse
circuito.
Provas
Questão presente nas seguintes provas
Uma lâmpada incandescente de 25 W / 220 V foi
conectada em uma rede de 110 V. Assinale a alternativa
que representa a potência dissipada por essa lâmpada
quando conectada a essa rede.
Provas
Questão presente nas seguintes provas
A NBR 14039 estabelece os requisitos básicos para o
projeto e a execução de instalações elétricas em média
tensão, abrangendo tensões de 1,0 kV a 36,2 kV, com
foco principal na segurança das pessoas, integridade
das instalações, adequação ao sistema elétrico e
continuidade do serviço. De acordo com essa
normatização, no que se refere limitação de
perturbações, assinale a alternativa correta:
Provas
Questão presente nas seguintes provas
A I-3210043 é uma instrução normativa que visa
estabelecer os critérios para o atendimento de
solicitações de ligação nova ou alteração de carga de
unidades consumidoras que contenham estações de
recarga de veículo elétrico, bem como o cadastro das
estações junto à Agência Nacional de Energia Elétrica
(ANEEL), na área de concessão da Celesc Distribuição
S.A. De acordo com essa normativa é correto afirmar
que:
Provas
Questão presente nas seguintes provas
A NBR 5410 estabelece critérios rigorosos para a
identificação dos condutores elétricos por cores,
garantindo segurança, padronização e facilidade de
manutenção nas instalações de baixa tensão. Cada
função — fase, neutro, proteção (PE) ou condutor PEN
— possui regras específicas para sua correta
identificação, e o descumprimento dessas normas pode
causar acidentes, confusões durante manutenções e não
conformidades técnicas. Considerando essas exigências
normativas relacionadas à identificação por cores dos
condutores, analise e assinale a alternativa que contém
a afirmativa correta:
Provas
Questão presente nas seguintes provas
O desenho a seguir é parte de um projeto de uma
edificação predial alimentada em 220 Vca / 60Hz,
elaborado segundo as determinações da NBR 5410.
Com base no desenho e na norma, analise as
afirmativas e assinale a alternativa correta:
I.As tomadas de uso geral da cozinha não atendem ao que determina a norma no que se refere às potências atribuíveis aos pontos de tomada.
II.Na área de serviço devem ser projetadas tomadas de 1 000 VA cada.
III.O circuito 8 deve ser conectado com uma tomada de 20 A no padrão da NBR 14136.
É correto o que se afirma em:
I.As tomadas de uso geral da cozinha não atendem ao que determina a norma no que se refere às potências atribuíveis aos pontos de tomada.
II.Na área de serviço devem ser projetadas tomadas de 1 000 VA cada.
III.O circuito 8 deve ser conectado com uma tomada de 20 A no padrão da NBR 14136.
É correto o que se afirma em:
Provas
Questão presente nas seguintes provas
A norma NR-35 do Ministério do Trabalho e Emprego
estabelece os requisitos e as medidas de prevenção
para o trabalho em altura, envolvendo o planejamento, a
organização e a execução, de forma a garantir a segurança e a saúde dos trabalhadores envolvidos direta
ou indiretamente com esta atividade. Aplica-se o
disposto nessa norma toda atividade com diferença de
nível acima de 2,0m (dois metros) do nível inferior, onde
haja risco de queda. Assinale a alternativa que apresenta
uma determinação correta dessa norma:
Provas
Questão presente nas seguintes provas
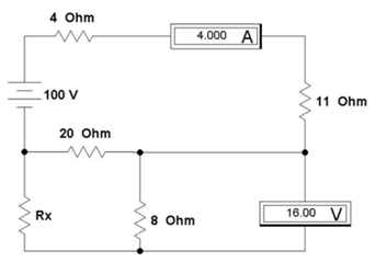
No circuito a seguir, considerando a medição dos
instrumentos (Voltímetro: resistência interna infinita e
Amperímetro: resistência interna "zero") assinale a
alternativa que representa o correto valor do resistor "Rx"


Provas
Questão presente nas seguintes provas
Cadernos
Caderno Container