Magna Concursos

Foram encontradas 690 questões.

2841575 Ano: 2022
Disciplina: Engenharia Eletrônica
Banca: FGV
Orgão: POLITEC-AP

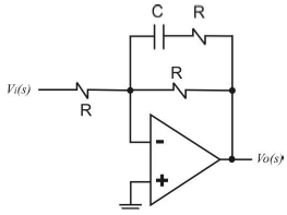
Enunciado 3035277-1

A função de transferência Vo(s)/Vi(s) do circuito da figura, no domínio de Laplace, é

 

Provas

Questão presente nas seguintes provas
2841574 Ano: 2022
Disciplina: Engenharia Eletrônica
Banca: FGV
Orgão: POLITEC-AP

O circuito a seguir possui um amplificador operacional ideal (Amp Op) e um diodo ideal que exibe uma queda de tensão igual a 0,7V quando está na região de polarização direta.

Enunciado 3035276-1

A curva que melhor representa a relação entre a tensão de entrada Ve e a tensão de saída Vo do circuito é:

 

Provas

Questão presente nas seguintes provas
2841573 Ano: 2022
Disciplina: Engenharia Eletrônica
Banca: FGV
Orgão: POLITEC-AP

São tipos de semicondutores usados para a fabricação de dispositivos eletrônicos:

 

Provas

Questão presente nas seguintes provas
2841572 Ano: 2022
Disciplina: Engenharia Eletrônica
Banca: FGV
Orgão: POLITEC-AP

Um sinal senoidal amortecido !$ x(t) !$, considerado apenas para !$ t ge 0 !$, tem, no domínio do tempo, sua amplitude máxima igual a 10 e apresenta, na sua configuração em Laplace, no plano complexo, dois polos complexos conjugados, dados por !$ P_{1,2}=-2 ± j10 !$ e um zero real dado por !$ z=-2 !$.

Em face das considerações acima, a expressão temporal de !$ x(t) !$ é

 

Provas

Questão presente nas seguintes provas
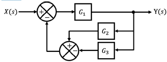
2841571 Ano: 2022
Disciplina: Engenharia Eletrônica
Banca: FGV
Orgão: POLITEC-AP

Um sistema linear invariante no tempo possui entrada X(s), saída Y(s) e pode ser representado pelo diagrama de blocos abaixo.

Enunciado 3035273-1

A função de transferência !$ {large{Y(s) over X(s)}} !$ do sistema é igual a

 

Provas

Questão presente nas seguintes provas
2841570 Ano: 2022
Disciplina: Engenharia Eletrônica
Banca: FGV
Orgão: POLITEC-AP

A figura mostra o diagrama em blocos de uma planta em malha fechada com realimentação de saída, característica dos sistemas de controle. A Função de Transferência de malha aberta é:

!$ G(s)={large{K over s^3+7x^2+10s}} !$.

Enunciado 3035272-1

Para esta configuração em Malha Fechada, sabe-se que quando o valor do ganho K varia positivamente de 0 a infinito, o sistema em Malha Fechada entra em INSTABIIDADE a partir de um certo ganho.

O valor do ganho no limiar da INSTABILIDADE é

 

Provas

Questão presente nas seguintes provas
2841569 Ano: 2022
Disciplina: Engenharia Eletrônica
Banca: FGV
Orgão: POLITEC-AP

Seja o sistema do diagrama de blocos da figura.

Enunciado 3035271-1

Nele, a entrada é uma onda quadrada de frequência 1 kHz, sendo que em 50% do tempo ela está a 6 V e em 50% do tempo, a 2 V.

A saída indicada será a superposição de senoides de apenas frequências iguais a:

Obs.: considera-se que existe uma componente senoidal se sua amplitude, após uma decomposição de Fourier, é não nula.

 

Provas

Questão presente nas seguintes provas
2841568 Ano: 2022
Disciplina: Engenharia Eletrônica
Banca: FGV
Orgão: POLITEC-AP

Relacione os tipos de memória com as suas respectivas características:

1. PROM

2. EPROM

3. SRAM

4. DRAM

( ) Memória volátil de acesso aleatório na qual a informação é armazenada através da carga em pequenos capacitores, necessitando de operações de repotencialização (refresh) periódicas devido as correntes de fuga.

( ) Memória não-volátil que pode ser programada pelo usuário apenas uma única vez.

( ) Memória volátil de alta velocidade de acesso na qual os elementos básicos de memória são circuitos biestáveis.

( ) Memória não-volátil que pode ser apagada ao se expor o circuito a radiação ultravioleta.

Assinale a opção que indica a relação correta na ordem apresentada.

 

Provas

Questão presente nas seguintes provas
2841567 Ano: 2022
Disciplina: Engenharia Eletrônica
Banca: FGV
Orgão: POLITEC-AP

Analise as afirmativas a seguir:

I. Dispositivos acoplados por carga (charge-coupled devices – CCD) são circuitos integrados especializados na amplificação de sinais de áudio, que apresentam consumo de energia muito reduzido quando não estão conectados a uma carga.

II. Fotomultiplicadores são dispositivos semicondutores, formados por uma ou mais junções P-N.

III. Em um LED, a intensidade da luz emitida é proporcional à tensão aplicada.

Está correto o que se afirma em

 

Provas

Questão presente nas seguintes provas
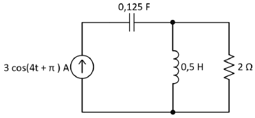
2841566 Ano: 2022
Disciplina: Engenharia Elétrica
Banca: FGV
Orgão: POLITEC-AP

Considere que o circuito abaixo esteja operando no regime estacionário senoidal.

Enunciado 3031535-1

A potência média e a potência reativa total dos elementos passivos do circuito são, respectivamente,

 

Provas

Questão presente nas seguintes provas