Foram encontradas 690 questões.
Um sistema contínuo, linear e modelado em espaço de estado, tem a sua dinâmica determinada pela seguinte equação matricial:
!$ dot{X}(t)=egin{bmatrix}-7 & k \4 &0 end{bmatrix} X(t)+ egin{bmatrix}1 \ 1 end{bmatrix} u(t) !$ e !$ y(t)= egin{bmatrix} 1 & 0 end{bmatrix} X(t) !$
Onde !$ u(t) !$ é o sinal de entrada, !$ dot{X}(t) !$ é a derivada do vetor de estados e !$ y(t) !$ o sinal de saída. A planta dispõe de uma variável incerta, o parâmetro real k, em sua dinâmica.
O valor de k que torna o sistema NÃO CONTROLÁVEL é:
Provas
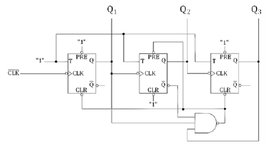
O circuito abaixo é um contador crescente assíncrono, composto por flips-flops T, com clear e preset assíncronos. A indicação “1”, na figura, indica o nível de tensão especificado para o nível lógico “1” (verdade).

Esse contador possui a seguinte quantidade de estados estáveis:
Provas
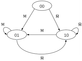
Considere o seguinte diagrama de estados de uma máquina de estados síncrona, na qual cada estado é designado por dois bits: B2B1, sendo o bit B2 o mais significativo.

Dado que o bit B2 será implementado utilizando um flip-flop D, a sua lógica de próximo estado pode ser expressa por
Provas

Considere os circuitos acima, construídos a partir de contadores. No circuito da Figura 1, um contador binário conta de forma decrescente até que o sinal de ripple acione o carregamento síncrono, reiniciando a contagem. Já no circuito da Figura 2, um contador binário conta de forma crescente até o sinal de clear síncrono seja acionado, reiniciando a contagem. Os números de estados da sequência de contagem nos circuitos da esquerda e da direita são, respectivamente,
Provas

Considerando a implementação de circuitos lógicos com resistores, diodos e transistores, a equação a booleana implementada pelo circuito acima é
Provas
Considerando a seguinte equação booleana:
!$ S=overline{(A.B+C)}.overline{((C+D).ar{D})} !$
Assinale a opção que apresenta uma equação booleana equivalente.
Provas

A saída S do circuito da figura, composto por somadores e inversores, em função dos números de entrada P, Q e R é
Provas
O circuito abaixo é um filtro baseado em amplificador operacional ideal.

O tipo de filtro e a frequência de corte são, respectivamente,
Provas
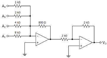
O circuito a seguir é um conversor digital-analógico de 4 bits, com a entrada sendo a palavra digital A4A3A2A1 e a saída o sinal Vo.

Os bits 1 da palavra digital são traduzidos com o nível de tensão 5 Volts, enquanto os bits 0 são traduzidos como 0 Volts.
Nesse circuito, a conversão da entrada digital 1011 é
Provas
A tensão de saída !$ ν_o !$ de um amplificador é !$ ν_0=6,3+4,5ν_i-ν^3_i[V] !$, onde !$ ν_i !$ é a tensão de entrada. A região ativa está compreendida entre !$ 1,2V < ν_i < 2,4V !$ e o amplificador está polarizado com uma tensão de entrada em corrente contínua !$ ν_i=2V !$.
O ganho de tensão neste ponto de operação, considerando a aproximação para pequenos sinais, é
Provas
Caderno Container