Foram encontradas 2.827 questões.
A proteção do transformador de interligação de um autoprodutor de energia com um sistema elétrico de uma concessionária é realizada por um relé digital multifunção. Nas funções 81, 50/51 e 27/59, esse dispos itivo atua, respec tivamente, como relé de sub/sobrefreqüência, de sobrecorrente e de sub/sobretensão. Em relação às características de funcionalidade desse relé digital multifunção, julgue o item que se segue.
Esse tipo de relé não é vantajoso para instalação nas unidades geradoras de autoprodutores de energia devido aos custos elevados de implantação do sistema de proteção. Quando se tratar de pequenas unidades geradoras, relés estáticos ou eletromecânicos são mais adequados, principalmente por serem dispositivos mais confiáveis para o tipo de proteção.
Provas
Questão presente nas seguintes provas

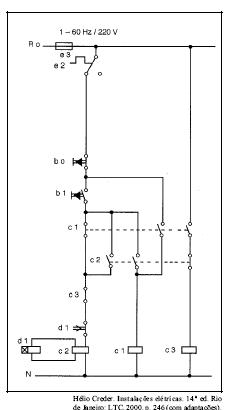
A figura acima mostra o diagrama de controle do acionamento de um motor de indução trifásico de rotor em gaiola. Julgue os seguintes itens, relativos ao acionamento e ao diagrama.
O relé temporizado é energizado simultaneamente à bobina do contator c2, após o botão b1 ser pressionado.
Provas
Questão presente nas seguintes provas

Inversores de freqüência são geralmente empregados no acionamento de motores de indução trifásicos, elementos importantes em muitos atuadores finais de controladores de processos. Um exemplo de inversor de freqüência comercial é o CFW08, produzido pela empresa WEG do Brasil. A figura acima apresenta o diagrama da etapa de potência desse inversor. Em operação normal, o inversor é conectado à rede trifásica 200 V-240 V pelas linhas R, S e T. O motor deve ser ligado às linhas U, V e W. As tensões nos braços U, V e W são determinadas pelo sinais de gatilhamento dos transistores T1, T2, T3, T4, T5 e T6, que fazem uso de modulação em largura de pulso (PWM). A freqüência de gatilhamento desses transistores é programável, com possíveis valores 2,5 kHz, 5 kHz, 10 kHz e 15 kHz. Esse equipamento também é dotado de um sistema de frenagem reostática, do qual fazem parte a resistência R1 e o transistor T7.
Diante das informações contidas na figura e no texto acima, julgue o item subseqüente.
Devido às possíveis freqüências de gatilhamento dos transistores, esse tipo de inversor não gera ruído acústico no motor.
Provas
Questão presente nas seguintes provas
A figura III abaixo mostra uma rede elétrica constituída de um gerador ideal, um transformador de potência, uma linha de transmissão e uma carga equivalente, devidamente conectados, formando um sistema elétrico de potência trifásico. A figura IV mostra o circuito elétrico correspondente ao diagrama unifilar da rede e dos dados informados. Em relação à modelagem dos equipamentos, o gerador é representado pela tensão em seus terminais. O transformador e a linha de transmissão são representados por suas respectivas reatâncias equivalentes e a carga por uma impedância constante !$ \overline{Z} !$. O circuito equivalente é utilizado para a determinação de grandezas como tensão, corrente e potência em operação normal e regime permanente. Considere que o gerador é ajustado para operar gerando tensão nominal em seus terminais.

A partir do diagrama unifilar da rede elétrica e do seu circuito elétrico equivalente em pu da base de 100 MVA e tensão de 10 kV no gerador G1, julgue o item que se segue.
Para a condição de operação do gerador, o módulo da tensão !$ \overline{V}_3 !$ nos terminais da carga é igual a 1,0 pu.
Provas
Questão presente nas seguintes provas
Acerca dos instrumentos de medidas elétricas e das técnicas de medição, julgue o item subseqüente.
Nas medições de potência ativa em sistemas trifásicos, é necessário conhecer a seqüência das fases.
Provas
Questão presente nas seguintes provas
A figura a seguir mostra uma carga trifásica terminada em estrela aterrada. As impedâncias de cada fase da carga, para a situação estudada, têm os seguintes valores: !$ \vec{Z}_A=30\Omega, \vec{Z}_B=j30\Omega\,e\,\vec{Z}_C=0 !$. As correntes em cada fase são desequilibradas e apresentam os valores fatoriais: !$ \vec{I}_a=10A,\vec{I}_b=-10A\,e\,\vec{I}_c=30A !$. O circuito mostra a carga e seus terminais e omite as ligações pertinentes ao gerador, que é aterrado, permitindo circulação de correntes pela terra.

A partir dos dados e do circuito acima, julgue o item seguinte acerca das componentes simétricas das grandezas de corrente e de tensão na carga.
A corrente de seqüência zero é igual a 10 A.
Provas
Questão presente nas seguintes provas
Entre os tipos definidos de aterramento em sistemas de distribuição de energia elétrica, incluem-se aqueles caracterizados por aterramento simples e por aterramentos especiais. Em pontos da rede de distribuição urbana acessíveis para aterramento, o aterramento simples pode ser instalado corretamente nos
religadores.
Provas
Questão presente nas seguintes provas
Acerca das fontes ininterruptíveis de energia — UPSs —, julgue o item subseqüente.
A figura a seguir mostra o esquema de um no-break estático. Nele, o elemento I é um retificador; o elemento II é um conjunto de baterias; e o elemento III é um inversor. Sendo assim, os circuitos de segurança são alimentados em corrente alternada.

Provas
Questão presente nas seguintes provas
Em um sistema de transmissão de energia elétrica é necessário dimensionar equipamentos com a finalidade de compensação de reativo visando manter a tensão em níveis adequados. Entre os equipamentos utilizados para a compensação de potência reativa inclui-se
o transformador de potência sem tap.
Provas
Questão presente nas seguintes provas
Os relés de proteção contra falta utilizam normalmente a tensão e a corrente como grandezas características de entrada para a detecção de defeitos. Com relação a essas grandezas, julgue o item que se segue.
Os relés são projetados para operar sob correntes e tensões relativamente baixas em relação às grandezas nominais dos equipamentos protegidos.
Provas
Questão presente nas seguintes provas
Cadernos
Caderno Container