Foram encontradas 2.689 questões.
Um motor elétrico de indução trifásico de 4 polos, 60 Hz e 380 V consome no rotor 120 kW a 3 Hz. Nessa condição, a velocidade do rotor, em rpm, é
Provas
Questão presente nas seguintes provas

Para o projeto de SPDA do edifício de Mecânica Geral, mostrado, em parte, acima, o elemento do detalhe 2 utilizado no SPDA, indicado pela letra W, com dimensões em milímetros, recebe a denominação comercial de:
Provas
Questão presente nas seguintes provas
Um relé térmico bimetálico é utilizado na proteção térmica de um motor de 50 CV em regime de funcionamento S1. A corrente nominal do motor (In) é de 65 A. Para a corrente de partida, a relação é Ip/In = 7, com tempo de rotor bloqueado igual a 10 s e tempo de partida igual a 2 s. O motor é alimentado com condutores de cobre de seção 25 mm2, cuja capacidade de corrente em função de seus fatores de correção é de 89 A . A faixa de regulagem para este relé varia entre 63 A a 90 A .
Se for feito um ajuste no relé para que o valor da corrente corresponda a 70 A, o valor dos múltiplos da corrente ajustada em relação à corrente de partida do motor no relé será de:
Provas
Questão presente nas seguintes provas

As caixas de passagem ou distribuição, para uso aparente ou externo, são conhecidas comercialmente como conduletes. Tais caixas permitem a conexão com eletrodutos, e recebem a denominação de condulete tipo E, C, LL, T, LB, LR ou X.
Para o desenho de corte, mostrado parcialmente ao lado, correspondente ao sistema de iluminação, as caixas de passagem marcadas com a numeração 4, 5 e 27, as quais devem estar conectadas a eletrodutos, correspondem, respectivamente, aos tipos
Provas
Questão presente nas seguintes provas

O equipamento de proteção individual para trabalho em eletricidade é obrigatório, sendo responsabilidade do empregado utilizá-lo, responsabilizar-se por sua guarda e cumprir as determinações do empregador sobre o seu uso adequado.
Na figura ao lado, o eletricista não está usando como equipamento de proteção individual o(s)
Provas
Questão presente nas seguintes provas

No circuito da figura acima, a impedância de sequência zero vista a partir da fonte de tensão é
Provas
Questão presente nas seguintes provas
Uma linha de transmissão trifásica é idealmente transposta, sendo as impedâncias próprias das fases iguais a Zp , e as impedâncias mútuas entre as fases todas iguais a Zm . Essas impedâncias já levam em consideração o efeito do solo.
As impedâncias de sequência positiva e de sequência zero dessa linha são j3 Ω e j9 Ω, respectivamente. De acordo com essas informações, os valores, em ohm, das impedâncias Zp e Zm , respectivamente, são
Provas
Questão presente nas seguintes provas

Uma árvore cai sobre uma linha de transmissão provocando um curto-circuito entre as três fases e o terra. A impedância de falta, entre o ponto de curto-circuito e o terra, é ZA , conforme indicado na figura acima.
Para essa condição, a impedância de sequência zero, vista pela fonte, é
Provas
Questão presente nas seguintes provas
Os dipositivos de proteção à corrente diferencial residual são utilizados na proteção contra contatos indiretos somente nos sistemas de aterramento de esquema
Provas
Questão presente nas seguintes provas

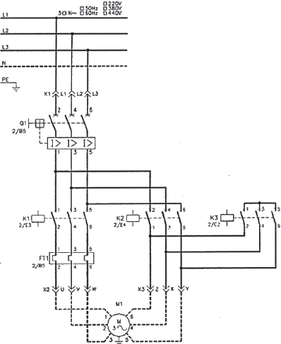
O diagrama trifilar mostrado acima corresponde ao acionamento elétrico de um motor de indução trifásico com método de partida correspondente a:
Provas
Questão presente nas seguintes provas
Cadernos
Caderno Container