Foram encontradas 650 questões.
A NBR 14039:2005 prevê a realização de ensaios em equipamentos e instalações elétricas de média tensão para garantia operacional dos mesmos.
O ensaio de tensão aplicada tem como objetivo verificar a(o)
Provas
Questão presente nas seguintes provas
A conexão de cargas não lineares nas instalações elétricas propicia a circulação de correntes harmônicas na rede elétrica.
Em um circuito trifásico com neutro ou num circuito com duas fases e neutro, a NBR 5410:2004 prevê a possibilidade de aumento da seção nominal no dimensionamento do condutor neutro, em relação aos condutores de fase, quando
Provas
Questão presente nas seguintes provas
Em iluminação industrial, um fator importante que deve ser levado em consideração na especificação do tipo de lâmpada é a vida útil média das lâmpadas.
Dentre os tipos de lâmpadas apresentadas abaixo, qual é o que apresenta a maior vida útil média?
Provas
Questão presente nas seguintes provas
As redes industriais de comunicação são classificadas em função da complexidade e do tamanho da informação transmitida, sendo as redes de nível mais baixo as redes de sensores, que são baseadas em transmissão de bits.
Nesse contexto, um exemplo de rede de sensores é
Provas
Questão presente nas seguintes provas

A proteção de um circuito, cuja corrente de curto-circuito é 300 A, é feita por um fusível diazed de 63 A. As curvas tempo-corrente de cinco fusíveis desse tipo são mostradas na figura acima.
De acordo com essas informações, o tempo mínimo de fusão do fusível utilizado, em segundo, quando houver um curto-circuito, é
Provas
Questão presente nas seguintes provas
Analise as afirmativas abaixo com relação à aplicação da NBR 5410:2004.
I – A NBR 5410:2004 aplica-se a toda fi ação e a toda linha de energia elétrica de baixa tensão.
II – A NBR 5410:2004 aplica-se somente aos circuitos elétricos alimentados sob tensão nominal igual ou inferior a 1.200 V em corrente contínua.
III – A NBR 5410:2004 aplica-se aos circuitos elétricos alimentados sob tensão nominal igual ou inferior a 1.000 V em corrente alternada, com frequências inferiores a 400 Hz.
Está correto o que se afirma em
Provas
Questão presente nas seguintes provas

A figura acima mostra um amplificador de potência que, em sua entrada, apresenta um sinal composto por um pulso retangular somado com ele mesmo retardado em T segundos. A figura também mostra os sinais de entrada e de saída, onde os transitórios são desprezíveis em relação à duração dos pulsos.
Com base nos dados da figura, o valor, em segundos, do retardo T, e o valor, em dB, do ganho do amplificador, respectivamente, são:
Provas
Questão presente nas seguintes provas
Um amplificador de potência de áudio alimenta uma caixa acústica com um alto-falante de 8 !$ Ω !$ de impedância. Sendo a impedância de saída do amplificador de áudio 128 !$ Ω !$, torna-se necessário o uso de um transformador para efetuar o casamento de impedâncias. Um transformador, considerado sem perdas, terá do lado do amplificador de áudio (primário), o número !$ N_1 !$ de espiras, e, no lado da caixa acústica (secundário), o número !$ N_2 !$ de espiras.
A relação de espiras !$ large{N_1 over N_2} !$ desse transformador é
Provas
Questão presente nas seguintes provas

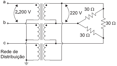
A figura acima mostra, parcialmente, a conexão de um banco de resistores, de 220 V, à rede de distribuição de 2.200 V através de um transformador trifásico.
De acordo com os dados apresentados na figura, o valor, em ohms, da resistência equivalente por fase, no lado de alta tensão, é
Provas
Questão presente nas seguintes provas
A partida de um motor de indução trifásico é feita utilizando-se uma chave estrela-triângulo, a partir de uma rede elétrica cuja tensão de linha é 220 V.
No primeiro estágio do processo de partida, a tensão aproximada, em volts, aplicada às bobinas do motor é
Provas
Questão presente nas seguintes provas
Cadernos
Caderno Container