Foram encontradas 650 questões.
Um gerador síncrono de 20 polos é acionado por uma turbina hidráulica, cuja velocidade de rotação é função do ângulo de abertura da comporta de água. A função da velocidade da turbina, próxima à região nominal de operação, é definida por !$ n_{rpm} = 5alpha + 300 !$, em que !$ n_{rpm} !$ é a velocidade de rotação em rpm e α é o ângulo de abertura em graus.
Sabendo-se que a frequência da tensão elétrica gerada é igual a 60 Hz, então, o ângulo de abertura da comporta, em graus, é
Provas
Questão presente nas seguintes provas
A potência mecânica fornecida por um motor de indução de 4 polos, quando aciona uma carga, é de 950!$ pi !$ [W].
Sabendo-se que a frequência da rede elétrica é de 50 Hz, e que o escorregamento do rotor é constante e igual a 5%, então, o valor, em !$ N.m !$, do torque do eixo do motor, para essa condição, é
Provas
Questão presente nas seguintes provas

Um transformador ideal alimenta uma carga resistiva, conforme indicado na figura acima. O valor rms da tensão da fonte é de 200 V, e a potência dissipada na carga é de 20 W.
De acordo com as informações apresentadas, o valor da resistência da carga, em ohm, é
Provas
Questão presente nas seguintes provas

Como medida de conservação de energia, foram instalados capacitores para reduzir as perdas na linha de distribuição interna de uma fábrica através da correção do fator de potência. A figura acima mostra o diagrama elétrico equivalente monofásico da instalação com o capacitor já instalado, conforme indicado. Sabe-se que o valor do kWh é igual a R$ 0,50, e que o valor da capacitância C1 é tal que o fator de potência resultante é igual a 100%.
Então, o valor, em reais, do consumo por fase, após a instalação do capacitor, para cada cinco horas de funcionamento da indústria, é
Provas
Questão presente nas seguintes provas

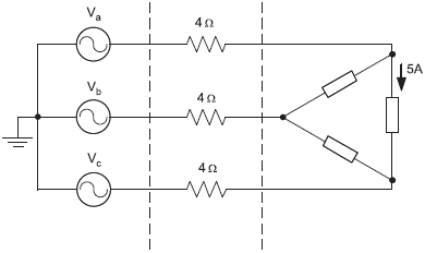
Uma carga é alimentada por uma fonte de tensão trifásica balanceada através de uma linha de distribuição, conforme indicado na figura acima.
Sabendo-se que o valor rms da corrente de fase da carga é igual a 5 A, então, a potência total dissipada na linha de distribuição, em watt, é
Provas
Questão presente nas seguintes provas

No circuito da figura acima, a corrente de carga em função do tempo é !$ I_{carga}(t)=10 sqrt2 cos (100t+30º)A !$.
De acordo com as informações apresentadas, a fasor da tensão da fonte !$ V_f !$, em volts, é
Provas
Questão presente nas seguintes provas
No Sistema Internacional de Unidades, a unidade de carga elétrica é coulomb [C].
Considerando-se somente as unidades de base do SI, essa unidade é
Provas
Questão presente nas seguintes provas
Os relés temporizados são dispositivos utilizados em diversos comandos elétricos. O relé temporizado com retardo na energização mantém o estado inicial do contato (estado de repouso) mesmo após a energização do relé. Depois de transcorrido o tempo predeterminado (tempo de ajuste do relé), o contato comuta para o estado acionado, mantendo-se nesse estado até que o relé seja desenergizado.
Qual das simbologias abaixo representa o contato de um relé temporizado com retardo na energização?
Provas
Questão presente nas seguintes provas

A partir da análise do projeto de instalação elétrica acima, considere as afirmações a seguir.
I - As lâmpadas da instalação são acionadas simultaneamente através de interruptores paralelos (three-way).
II - As simbologias da tomada e dos seus condutores de alimentação indicam que se trata de uma tomada baixa, alimentada por dois condutores fase e um condutor terra.
III - A simbologia adotada no quadro de distribuição indica que se trata de um quadro geral de luz e força embutido.
Está correto APENAS o que se afirma em
Provas
Questão presente nas seguintes provas
Com relação aos diversos tipos de acionamento de motores de indução trifásicos, considere as afirmativas abaixo.
I - O acionamento através da chave estrela-triângulo proporciona torque de partida inferior ao obtido com a partida direta na conexão triângulo.
II - O acionamento através da chave compensadora reduz a velocidade do motor devido à redução do número de seus polos.
III - No comando de reversão trifásica a contator, a reversão do sentido de rotação do motor é feita através da inversão de duas das três fases de alimentação em seus terminais.
Está correto APENAS o que se afirma em
Provas
Questão presente nas seguintes provas
Cadernos
Caderno Container