Foram encontradas 2.327 questões.
O número de mintermos (combinações dos sinais Y, X, W e V) que ativam a função F(Y,X,W,V)=(VW)+(!$ ar{X} !$ Y), é
Provas
Questão presente nas seguintes provas

Sabendo-se que K=K3K2K1K0, P=P3P2P1P0 e Z= Z3Z2Z1Z0 são números de 4 bits, a saída S da unidade aritmética da figura é
Provas
Questão presente nas seguintes provas

Considere um contador binário de 4 bits, cujas tabelas de operação e de ligações estão mostradas acima. O contador dispõe dos sinais LOAD (carregamento paralelo sincronizado pelo clock), CLR (clear síncrono) e EN (habilitador de contagem a cada clock), todos ativados em nível alto, além do sinal UP, que define a direção de contagem.
Sabendo que a habilitação de LOAD tem prioridade sobre a habilitação de contagem, o número de estados da sequência permanente implementada é
Provas
Questão presente nas seguintes provas
Na figura abaixo, são apresentados dois recipientes em forma de paralelepípedos, com paredes rígidas, cheios de água, que diferem nas medidas de algumas de suas arestas (múltiplos de x, y e z).

Sobre a pressão exercida pelo líquido no fundo dos recipientes, com base nas dimensões dadas, considere as afirmações abaixo.
A pressão possui valores diferentes em cada um dos recipientes.
PORQUE
A pressão depende da capacidade cúbica do recipiente.
Analisando-se as afirmações acima, conclui-se que
Provas
Questão presente nas seguintes provas
2201476
Ano: 2011
Disciplina: TI - Organização e Arquitetura dos Computadores
Banca: CESGRANRIO
Orgão: Petrobrás
Disciplina: TI - Organização e Arquitetura dos Computadores
Banca: CESGRANRIO
Orgão: Petrobrás
Na arquitetura de um PC, o componente ligado diretamente ao processador é a(o)
Provas
Questão presente nas seguintes provas

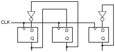
Considere que os flip-flops do circuito digital da figura acima começam zerados após a energização. O número de estados que se repetem indefinidamente na sequência permanente é
Provas
Questão presente nas seguintes provas
Na automação industrial, para a programação de Controladores Lógico Programáveis (CLP), representando graficamente o processamento dos sinais elétricos e do comando enviados a outros equipamentos industriais, uma possibilidade bastante empregada é o uso de linguagem de contato (LADDER).

A figura acima apresenta uma pequena parte de um programa para CLP mais complexo. Nas condições ideais de funcionamento, o contato, normalmente aberto I, é energizado por uma botoeira, por cerca de 0,5 segundo. T3 é um temporizador associado a 3 segundos, e M0 é um motor.
Considerando-se o diagrama e as informações acima, afirma-se que M0
Provas
Questão presente nas seguintes provas
Um determinado instrumento de medição industrial traz, em seu manual, como especificação técnica, que sua faixa de medida é de 130 ºC a 430 ºC. Com base nessa informação e de acordo com a terminologia técnica sobre o equipamento, conclui-se que o(a)
Provas
Questão presente nas seguintes provas
A moderna automação industrial utiliza amplamente Controladores Lógico Programáveis (CLP) em suas linhas de produções. Sobre as características básicas dos CLP, afirma-se que
Provas
Questão presente nas seguintes provas

Para medir a frequência de um sinal senoidal, um técnico fez uso de um dos frequencímetros existentes em seu laboratório, no Brasil. Esse equipamento utiliza o sistema de contagem mostrado na figura acima, de acordo com os seguintes passos:
1 - o sinal senoidal é transformado num sinal pulsado de mesma frequência;
2 - esse sinal pulsado incrementa um contador durante um período determinado pela base de tempo;
3 - a saída do contador é convertida na frequência do sinal.
Sabendo, contudo, que a base de tempo do frequencímetro, apesar de periódica, apresentava um valor incorreto, o técnico testou o equipamento, medindo a frequência da rede elétrica (60Hz) e obtendo 75 Hz. Em seguida, mediu a frequência do sinal desejado e verificou a indicação de 120 Hz no frequencímetro. O verdadeiro valor da frequência do sinal, em Hz, é
Provas
Questão presente nas seguintes provas
Cadernos
Caderno Container