Foram encontradas 1.925 questões.
2190689
Ano: 2011
Disciplina: Engenharia de Telecomunicações
Banca: CESGRANRIO
Orgão: Petrobrás
Disciplina: Engenharia de Telecomunicações
Banca: CESGRANRIO
Orgão: Petrobrás
Provas:
A atenuação sofrida pelo sinal ao ser enviado do transmissor ao receptor, a largura de banda de um sistema de comunicação, os distúrbios que corrompem o sinal na entrada do receptor e a complexidade das técnicas de transmissão e recepção sofrem influência direta do tipo de canal de transmissão utilizado.
A esse respeito, considere as afirmativas a seguir.
I – A fibra óptica é o canal de transmissão confinado que apresenta os menores valores de atenuação e de largura de banda.
II – Em sistemas que usam fibra óptica monomodo, é mais apropriado empregar led do que laser.
III – Uma desvantagem da fibra óptica é que as interfaces utilizadas nos transmissores e receptores são mais caras do que as elétricas.
Está correto APENAS o que se afirma em
Provas
Questão presente nas seguintes provas
Um sistema de comunicação em canais AWGN, que emprega a modulação 16-ASK, apresenta uma taxa de erro de bit muito elevada.
Para essa situação, considere os procedimentos descritos a seguir.
I - Trocar a modulação 16-ASK pela modulação 32-ASK.
II - Aumentar a potência de transmissão.
III - Trocar a modulação 16-ASK pela 16-QAM.
Reduz a taxa de erro de bit na transmissão APENAS o que se descreve em
Provas
Questão presente nas seguintes provas
2190687
Ano: 2011
Disciplina: Engenharia de Telecomunicações
Banca: CESGRANRIO
Orgão: Petrobrás
Disciplina: Engenharia de Telecomunicações
Banca: CESGRANRIO
Orgão: Petrobrás
Provas:
Dez sinais, cada um deles com largura de banda igual a 4 KHz, são multiplexados usando a técnica de multiplexação por divisão no tempo (TDM). Sabe-se que não são utilizados canais de controle.
Qual a largura de banda mínima, em KHz, necessária para a transmissão desse sistema TDM?
Provas
Questão presente nas seguintes provas
2190686
Ano: 2011
Disciplina: Engenharia de Telecomunicações
Banca: CESGRANRIO
Orgão: Petrobrás
Disciplina: Engenharia de Telecomunicações
Banca: CESGRANRIO
Orgão: Petrobrás
Provas:

A figura acima mostra um enlace óptico contendo duas emendas e dois conectores. Nesse enlace, a atenuação na fibra é igual a 0,2 dB/km, a perda de inserção em um conector é igual a 0,5 dB e a perda de inserção em uma emenda é igual a 0,25 dB.
A perda total no enlace óptico, em dB, é
Provas
Questão presente nas seguintes provas
Sejam A, B e C números representados com sinal e !$ \bar{A}, \bar{B} !$ e !$ \bar{C} !$ os números que representam os respectivos complementos de A, B e C.
A expressão da soma !$ S=\bar{A}+\bar{B}+\bar{C} !$ é
Provas
Questão presente nas seguintes provas

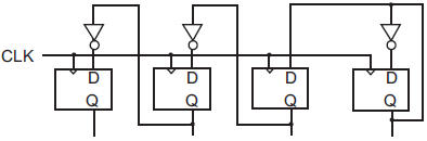
Considere que os flip-flops da figura acima comecem zerados.
O número de estados transitórios que só aparecem uma vez, antes de se atingir a sequência permanente, é
Provas
Questão presente nas seguintes provas

O circuito acima usa um multiplexador de 4 entradas para 1 saída.
A lógica da saída Y, em função de P e Q, é
Provas
Questão presente nas seguintes provas

O circuito acima usa um comparador de igualdade e magnitude para números de 4 bits, como o 7485.
As lógicas das saídas A>B, A=B e A<B, em função de P e Q, são, respectivamente,
Provas
Questão presente nas seguintes provas

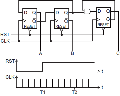
Na figura acima, é apresentado o diagrama esquemático de uma máquina de estados construída com quatro flip-flops, juntamente com os gráficos que apresentam a evolução no tempo dos sinais de reset (RST) e de clock (CLK).
No instante de tempo T2 indicado na figura, os níveis lógicos das saídas A, B e C serão, respectivamente,
Provas
Questão presente nas seguintes provas
A função booleana
!$ Y=(A \oplus B)C+A(\overline{B+C}) !$
pode ser expressa apenas em função de mintermos, conforme mostrado em
Provas
Questão presente nas seguintes provas
Cadernos
Caderno Container