Foram encontradas 1.925 questões.
Um motor, instalado em uma indústria, consome uma potência ativa de 8.000 W e tem um fator de potência de 0,8 atrasado. Deseja-se instalar um banco de capacitores de forma a obter, na instalação total (motor e banco de capacitores), um fator de potência unitário.
Qual será a potência, em volt-ampère reativo, consumida pelo banco de capacitores utilizado?
Provas
Questão presente nas seguintes provas

A figura acima mostra parcialmente o projeto elétrico de uma residência, mais especificamente o circuito de iluminação da sala. Os pontos de luz são acionados, em conjunto, de pontos diferentes. O quadrado com o ponto de interrogação representa um dos pontos de comando.
De acordo com esse projeto elétrico, o interruptor representado pelo quadrado é do tipo
Provas
Questão presente nas seguintes provas

A figura acima mostra o equivalente elétrico de um motor de indução monofásico quando opera em plena carga.
Sabendo-se que a frequência da rede elétrica é de 60 Hz, e considerando-se que !$ \sqrt3= 1,73 !$, então, nessas condições, o valor do fator de potência desse motor, em valor percentual, é
Provas
Questão presente nas seguintes provas

A figura acima apresenta um circuito elétrico constituído de uma fonte de tensão contínua de 200 V e três resistores interligados.
Qual será, em ampères, o valor da corrente !$ I_1 !$, indicada no circuito?
Provas
Questão presente nas seguintes provas

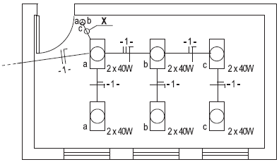
A figura acima mostra parcialmente o diagrama elétrico de uma sala de aula. O sistema de iluminação da sala é alimentado pelo mesmo circuito e é composto por três fileiras de pontos de luz, sendo que cada fileira pode ser acionada independente uma da outra.
De acordo com esse esquema elétrico, a representação dos condutores que passam pelo eletroduto X é
Provas
Questão presente nas seguintes provas
Que tipo de tolerância é utilizada para delimitar erros de circularidade, coaxialidade, excentricidade, perpendicularidade e planicidade?
Provas
Questão presente nas seguintes provas
Qual o significado do símbolo // nas representações de tolerâncias geométricas?
Provas
Questão presente nas seguintes provas
A organização do trabalho pode ser entendida como a organização de todos os recursos necessários e disponíveis para que os objetivos organizacionais sejam obtidos. NÃO se envolve(m) diretamente na organização do trabalho
Provas
Questão presente nas seguintes provas
São princípios da gestão da qualidade:
• A gestão da qualidade deve concentrar-se no consumidor.
• O desempenho de qualidade deve ser medido.
• A gestão da qualidade deve ser impulsionada para a melhoria.
• A alta administração precisa demonstrar seu comprometimento em manter e aprimorar, constantemente, os sistemas de gestão.
Esses são princípios estabelecidos na Norma Técnica
Provas
Questão presente nas seguintes provas
A gestão da qualidade total desenvolve-se através do emprego de conceitos como: a qualidade é a estratégia, trabalho em equipe e envolvimento de consumidores e fornecedores.
Dessa forma, o grande objetivo da gestão da qualidade total é tentar
Provas
Questão presente nas seguintes provas
Cadernos
Caderno Container