Foram encontradas 69 questões.
Considere o gráfico tensão-deformação de um material submetido a um ensaio de tração apresentado na figura a seguir.

Qual a propriedade do material indicada pela área hachurada (S) correspondente à quantidade de trabalho por unidade de volume que pode ser realizada no material até a sua ruptura?
Provas
Questão presente nas seguintes provas
Num estado plano de tensões, o material mantém-se em fase elástica se o estado bidimensional de tensão for representado por um ponto da superfície limitada pela elipse de equação: !$ \sigma^2_f=\sigma^2_{p1}- \sigma_{p1}\sigma_{p2}+\sigma^2_{p2} !$
Onde:
!$ \sigma_f= !$ tensão correspondente à falha estrutural
!$ \sigma_{p1} !$ e !$ \sigma_{p2}= !$ tensões principais
Essa equação deriva do critério de resistência da energia máxima de distorção, também, denominado critério de
Provas
Questão presente nas seguintes provas
Considere a coluna de aço (E = 200 GPa) da figura abaixo submetida a uma carga concentrada P perfeitamente centrada.

A seção transversal dessa coluna é quadrada e possui momento de inércia igual a 108 !$ cm^4 !$.
Qual o valor da carga P crítica de Euler, em kN, que pode provocar a flambagem da coluna?
Provas
Questão presente nas seguintes provas
A seção mestra de uma balsa possui área igual a 0,5 !$ m^2 !$. O momento de inércia calculado em relação à linha de base da embarcação mede 6 !$ m^4 !$, sendo a posição vertical do eixo neutro igual a 2 m acima da linha de base.
Sabendo-se que o pontal da balsa mede 5 m, qual o valor aproximado do módulo de resistência, em !$ m^3 !$, no convés?
Provas
Questão presente nas seguintes provas
No limite de proporcionalidade, uma barra de aço com comprimento de referência de 300 mm e 20 mm de diâmetro foi alongada longitudinalmente em 0,90 mm, e o diâmetro foi reduzido em 0,02 mm.
Qual o valor aproximado do coeficiente de Poisson !$ ( \nu ) !$ desse material?
Provas
Questão presente nas seguintes provas
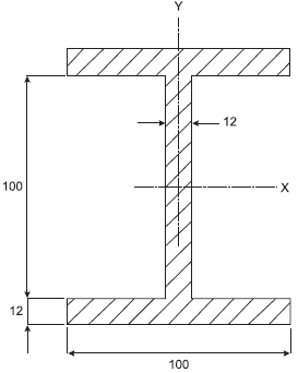
Considere a seção transversal do perfil tipo I apresentada na figura abaixo.

Se todas as dimensões estão cotadas em milímetros, qual o valor, em !$ cm^4 !$, do momento de inércia em relação ao eixo baricêntrico X do perfil?
Provas
Questão presente nas seguintes provas
Um eixo de seção transversal circular maciça com 40 mm de diâmetro é submetido a um momento torçor de 20!$ \pi !$ N.m.
Para essa situação, o valor da tensão de cisalhamento máxima, em MPa, é
Provas
Questão presente nas seguintes provas
Considere o contexto a seguir para responder a questão.
A viga AB biapoiada tem 6 m de comprimento e suporta um carregamento que varia linearmente de 0 a 200 kN, conforme apresentado na figura abaixo.

Qual o valor, em metros, da distância X onde o momento fletor atuante na viga AB é máximo?
Provas
Questão presente nas seguintes provas
Considere o contexto a seguir para responder a questão.
A viga AB biapoiada tem 6 m de comprimento e suporta um carregamento que varia linearmente de 0 a 200 kN, conforme apresentado na figura abaixo.

Quais os valores, em kN, das reações nos apoios A e B, respectivamente?
Provas
Questão presente nas seguintes provas
O estado plano de tensões em determinado ponto de um corpo é mostrado no elemento da figura abaixo.

Os valores, em MPa, das tensões principais !$ \sigma_{p1} !$ e !$ \sigma_{p2} !$ são, respectivamente, iguais a
Provas
Questão presente nas seguintes provas
Cadernos
Caderno Container