Foram encontradas 2.648 questões.

O desenho acima mostra uma curva de uma tubulação de seção circular com costura. Considerando a posição da solda, a peça 1 terá sua planificação semelhante à ilustrada em
Provas
Questão presente nas seguintes provas

O desenho em projeção ortográfica, no primeiro diedro, que corresponde à peça da perspectiva, mostrada acima, é
Provas
Questão presente nas seguintes provas

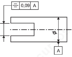
A tolerância geométrica mostrada no desenho da peça acima é de
Provas
Questão presente nas seguintes provas

Nos objetos longos, e tal como a figura acima, são representadas somente partes da peça que contém detalhes. Os limites das partes retidas são aproximados e as indicações dessas interrupções, na vista ortográfica, podem ser desenhadas, segundo a NBR 10067, com linhas
Provas
Questão presente nas seguintes provas
Segundo a NBR 8404, quando é exigida a remoção de material de uma superfície, o símbolo indicativo de estado de superfície utilizado é
Provas
Questão presente nas seguintes provas
Quanto ao transporte de produtos perigosos, a mais importante e necessária característica dos locais de carga, descarga e transbordo, que recebem, além de outros, produtos infectantes, é o(a)
Provas
Questão presente nas seguintes provas
Para efeitos de transporte de substâncias sólidas inflamáveis, a temperatura máxima, na qual uma dessas substâncias pode ser transportada em segurança, é a(o)
Provas
Questão presente nas seguintes provas
Tratando-se de transporte de produtos perigosos, incompatíveis entre si ou com produtos não perigosos, em um mesmo veículo, quando houver risco direto ou indireto de danos a pessoas, bens ou ao meio ambiente, respeitando-se as demais orientações técnicas,
Provas
Questão presente nas seguintes provas
A limpeza do local onde, acidentalmente, durante a carga ou descarga, for derramada qualquer quantidade de produto tóxico deverá ser realizada
Provas
Questão presente nas seguintes provas
Veículos de múltiplos compartimentos, transportando, concomitantemente, mais de um dos seguintes produtos: álcool motor, óleo diesel, gasolina ou querosene, a granel, além do rótulo de risco referente à classe,
Provas
Questão presente nas seguintes provas
Cadernos
Caderno Container