Magna Concursos

Foram encontradas 3.478 questões.

2881388 Ano: 2010
Disciplina: Engenharia Mecânica
Banca: CESGRANRIO
Orgão: Petrobrás

Em uma linha de eixo, o componente cuja finalidade é suportar o esforço axial provocado pela rotação do eixo propulsor, mantendo-o em uma posição axial predeterminada, é denominado mancal de

 

Provas

Questão presente nas seguintes provas
2881387 Ano: 2010
Disciplina: Engenharia Mecânica
Banca: CESGRANRIO
Orgão: Petrobrás

Na tentativa de dividir um segmento de reta AB dado em seis segmentos iguais, usando apenas um compasso e um par de esquadros, construiu-se uma semirreta BC de origem em B e direção arbitrária, conforme a figura abaixo.

Enunciado 3090845-1

Após sucessivas intersecções de segmentos de arcos consecutivos, de diâmetros iguais, mas de valores arbitrários, com a semirreta, obtiveram-se os pontos B1, B2, B3, B4, B5 e B6. A partir de B6 traçou-se o segmento de reta B6A. Obtém-se o restante do processo de divisão do segmento de reta AB, traçando semirretas paralelas

 

Provas

Questão presente nas seguintes provas
2881386 Ano: 2010
Disciplina: Engenharia Mecânica
Banca: CESGRANRIO
Orgão: Petrobrás

Em circuitos hidráulicos, acumuladores NÃO são utilizados para

 

Provas

Questão presente nas seguintes provas
2881385 Ano: 2010
Disciplina: Engenharia Mecânica
Banca: CESGRANRIO
Orgão: Petrobrás

Em relação à utilização dos propulsores de passo controlável, considere as afirmativas a seguir.

I - Possibilita operar a instalação propulsora sob diferentes condições de resistência, com o mesmo número de rotações ou potência no eixo, variando-se o passo do hélice.

II - Apresenta baixos custos de instalação e manutenção, quando comparada à utilização de propulsores de pás fixas, porém a possibilidade de avarias é maior.

III - Permite o aumento de eficiência e a diminuição do consumo de combustível, a partir do aumento da rotação do motor e do passo do hélice, simultaneamente.

Está(ão) correta(s), SOMENTE, a(s) afirmativa(s)

 

Provas

Questão presente nas seguintes provas
2881384 Ano: 2010
Disciplina: Engenharia Mecânica
Banca: CESGRANRIO
Orgão: Petrobrás

Motores de combustão principal e auxiliar de navios possuem algumas diferenças. Os motores de combustão principal dedicam-se à propulsão do navio e o auxiliar, à geração de energia. Uma diferença entre estes dois tipos de motores encontrados em navios, descartando o caso de navios propelidos por plantas diesel-elétricas, é que motores de combustão

 

Provas

Questão presente nas seguintes provas
2881383 Ano: 2010
Disciplina: Engenharia Mecânica
Banca: CESGRANRIO
Orgão: Petrobrás

Atualmente, as emissões de veículos e navios movidos a motores de combustão interna sofrem forte pressão por redução e controle de emissão de poluentes. Qual dos seguintes compostos NÃO permite controle ou redução de emissão em motores de combustão interna?

 

Provas

Questão presente nas seguintes provas
2881382 Ano: 2010
Disciplina: Engenharia Mecânica
Banca: CESGRANRIO
Orgão: Petrobrás

Motores diesel e a gasolina NÃO podem utilizar o combustível um do outro, pois

 

Provas

Questão presente nas seguintes provas
2881381 Ano: 2010
Disciplina: Engenharia Mecânica
Banca: CESGRANRIO
Orgão: Petrobrás

No ciclo de quatro tempos do motor de combustão interna cujo combustível é a gasolina, quando ocorre o movimento do pistão do ponto morto

 

Provas

Questão presente nas seguintes provas
2881380 Ano: 2010
Disciplina: Engenharia Mecânica
Banca: CESGRANRIO
Orgão: Petrobrás

Enunciado 3090815-1

A figura acima apresenta parte de um fluxograma de engenharia. Dentre os itens apontados e numerados na figura, os que estabelecem uma correspondência correta são

 

Provas

Questão presente nas seguintes provas
2881379 Ano: 2010
Disciplina: Engenharia Mecânica
Banca: CESGRANRIO
Orgão: Petrobrás

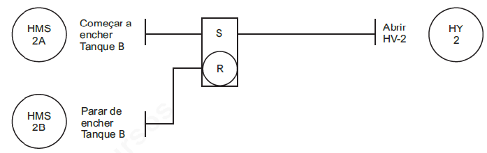
Enunciado 3090814-1

A figura acima corresponde a um(a)

 

Provas

Questão presente nas seguintes provas