Foram encontradas 3.478 questões.

As medidas indicadas nos instrumentos ilustrados nas figuras acima são:
|
Paquímetro |
Goniômetro |
Relógio Comparador |
Provas

No quadro acima, são apresentadas algumas das representações de válvulas além de outros componentes utilizados para o desenho isométrico de tubulações industriais. Cada uma dessas válvulas corresponde, respectivamente, a
| I | II | III | IV | V |
Provas

No quadro acima, são apresentados 4 ícones correspondentes a 4 ferramentas do software AutoCAD. Cada uma dessas ferramentas corresponde, respectivamente, a
| I | II | III | IV |
Provas
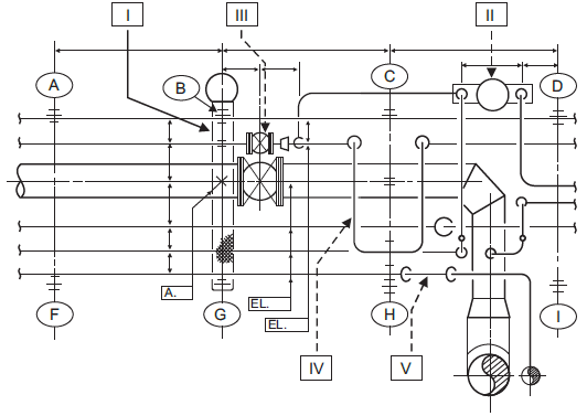
Os 5 elementos identificados na planta de tubulações ilustrada acima correspondem, respectivamente, à(ao)

| I | II | III | IV | V |
Provas
Um gabarito de referência tem valor nominal de 15,70 mm e erro máximo admissível especificado pelo fabricante de ± 0,2 mm. Qual o valor aproximado, em mm, da incerteza padrão?
Provas

Pelos dados da tabela de afastamentos acima, o ajuste 40 F7/h6 tem as seguintes características:
Provas

Um fluido de densidade igual a 1 flui pelo conduto ilustrado na figura acima, de A para B, onde a seção A mede 8 m2 e a seção B mede 4 m2. Sabendo que a diferença de pressão entre A e B é de 2,4 Pa, qual o valor da velocidade do fluido na seção A? (Considere a aceleração da gravidade local igual a 10 m/s2.)
Provas
Em relação às condições básicas para se adotar a manutenção preditiva, considere as afirmativas a seguir.
I – O equipamento, o sistema ou a instalação deve merecer esse tipo de ação, em função dos custos envolvidos.
II – As falhas devem ser oriundas de causas que possam ser monitoradas e ter sua progressão acompanhada.
III – A manutenção preditiva diagnostica as condições dos equipamentos e, quando a intervenção é decidida, o que se realiza é uma manutenção corretiva planejada.
É(São) correta(s) a(s) afirmativa(s)
Provas
Em atividades de comissionamento de amperímetros e voltímetros, NÃO é realizada a operação de
Provas

No quadro acima são apresentadas algumas das representações de válvulas utilizadas para o desenho isométrico de tubulações industriais. Cada uma dessas válvulas corresponde a
| I | II | III | IV | V |
Provas
Caderno Container