Magna Concursos

Foram encontradas 100 questões.

2882577 Ano: 2010
Disciplina: Química
Banca: CESGRANRIO
Orgão: Petrobrás
Provas:

Considere a equação balanceada para a seguinte reação de oxirredução:

10 FeSO4 + 2 KMnO4 + 8 H2SO4 → 5 Fe(SO4)3 + K2SO4 + 2 MnSO4 + 8 H2O

O agente redutor na reação é

 

Provas

Questão presente nas seguintes provas
2882576 Ano: 2010
Disciplina: Química
Banca: CESGRANRIO
Orgão: Petrobrás
Provas:

Considere volumes iguais para soluções aquosas 0,1 mol/L dos ácidos junto às suas respectivas constantes de ionização (Ka), apresentados na tabela abaixo.

Ácidos

Ka

HF

6,8 .10−4

HNO2

4,7 .10−4

CH2ClCOOH

1,4 .10−3

Se a condutibilidade elétrica dessas soluções for comparada, a ordem decrescente entre elas será:

 

Provas

Questão presente nas seguintes provas
2881498 Ano: 2010
Disciplina: Engenharia Mecânica
Banca: CESGRANRIO
Orgão: Petrobrás
Provas:

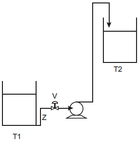
Considere o esquema abaixo de transporte de um derivado de petróleo do tanque (T1) para o tanque (T2).

Enunciado 3091182-1

Qual das seguintes ações reduziria a possibilidade de cavitação?

 

Provas

Questão presente nas seguintes provas
2881497 Ano: 2010
Disciplina: Engenharia Mecânica
Banca: CESGRANRIO
Orgão: Petrobrás
Provas:

Dentre os instrumentos de medida mais importantes, situam-se os transmissores. Trata-se de um dispositivo que, após realizar medidas da variável de processo, transmite os dados para um receptor localizado a distância. Quais são os principais tipos de sinais utilizados na transmissão desses dados?

 

Provas

Questão presente nas seguintes provas
2880783 Ano: 2010
Disciplina: Engenharia de Petróleo
Banca: CESGRANRIO
Orgão: Petrobrás
Provas:

A chuva ácida, que ocorre especialmente nas imediações das grandes cidades ou locais muito industrializados, traz prejuízos à saúde dos homens e dos animais, assim como à qualidade do solo e das águas e provoca eventuais danos a edificações e equipamentos. Os principais ácidos gerados por emissões provenientes de refinarias de petróleo são:

 

Provas

Questão presente nas seguintes provas
2880782 Ano: 2010
Disciplina: Engenharia de Petróleo
Banca: CESGRANRIO
Orgão: Petrobrás
Provas:

As unidades de refino envolvem diversas etapas de processamento desde a entrada do petróleo cru na refinaria até a saída dos produtos finais. Relacione as etapas de diferentes processamentos apresentadas na 1a coluna com os seus respectivos resultados, na coluna à direita.

1 – Alquilação

2 – Craqueamento

3 – Dessalgação

4 – Destilação a vácuo

5 – Destilação atmosférica

( ) Separação que evita decomposição de hidrocarbonetos e formação de coque

( ) Operação que converte gasóleo pesado em gasolina e diesel

( ) Separação que produz querosene, nafta e gás de refinaria, por exemplo

( ) Processo que produz gasolina de alto índice de octanagem e com baixo teor de contaminantes

A ordem dos números da coluna da direita, de cima para baixo, é:

 

Provas

Questão presente nas seguintes provas
2880781 Ano: 2010
Disciplina: Engenharia de Petróleo
Banca: CESGRANRIO
Orgão: Petrobrás
Provas:

Em uma unidade de refino, operações que envolvem a quebra de emulsões de óleo disperso em água e de água dispersa em óleo são empregadas, respectivamente, em processos de

 

Provas

Questão presente nas seguintes provas
2880780 Ano: 2010
Disciplina: Engenharia de Petróleo
Banca: CESGRANRIO
Orgão: Petrobrás
Provas:

A temperatura de ebulição de um composto orgânico depende, fundamentalmente, da massa molecular de suas moléculas e das forças intermoleculares existentes entre elas. Nos alcanos de cadeia normal, as temperaturas de ebulição aumentam, gradativamente, com o aumento de suas massas moleculares. No entanto, entre alcanos de igual massa molecular, o ponto de ebulição, em geral, diminui com o aumento de ramificações. Isso acontece porque as ramificações dificultam a atração recíproca entre as moléculas desses compostos, que são promovidas por

 

Provas

Questão presente nas seguintes provas
2880779 Ano: 2010
Disciplina: Engenharia de Petróleo
Banca: CESGRANRIO
Orgão: Petrobrás
Provas:

A presença de tensoativos naturais no petróleo, como asfaltenos, resinas, ácidos naftênicos, entre outros, propicia a formação de emulsões contendo gotas de água dispersas no óleo. Esses tensoativos, também chamados de surfactantes, migram para a interface óleo-água, atuando como agentes

 

Provas

Questão presente nas seguintes provas
2880773 Ano: 2010
Disciplina: Engenharia Civil
Banca: CESGRANRIO
Orgão: Petrobrás
Provas:

Considere as seguintes conexões a serem utilizadas em tubulações de igual diâmetro:

Enunciado 3091179-1

A ordem, em função crescente, da perda de carga provocada é

 

Provas

Questão presente nas seguintes provas