Foram encontradas 120 questões.
Um espectro de energia de ondas é uma representação gráfica utilizada para se caracterizar uma determinada condição de mar. Uma vez conhecido tal espectro, podem ser determinados alguns parâmetros estatísticos calculados a partir dos chamados momentos espectrais !$ (m_k=intlimits_{0}^{infty}w^kS_{zeta}(w)dw !$, sendo k a ordem do momento). Com base nessas informações, a altura significativa da onda (H1/3) e o período central do espectro (T1) são, respectivamente, iguais a
Provas
Considere o espectro de onda hipotético apresentado a seguir.
!$ s_zeta (w)=egin{cases} w^2 4w, ,para ,0 le w < 1 \ 0, ,para , w ge 1end{cases} !$
De acordo com essa representação, o período entre zeros (T2), em segundos, é igual a
Provas
Na aplicação da análise dimensional ao problema de resistência ao avanço de um navio, o coeficiente adimensional de resistência é função de três parâmetros, conforme apresentado a seguir.

Onde:
R = resistência ao avanço
V = velocidade do navio
L = comprimento do navio
!$
ho !$ = densidade do fluido
!$ mu !$ = viscosidade do fluido
g = aceleração da gravidade
p = pressão do fluido sobre o casco
Tendo como base essas informações, a resistência de ondas e a resistência de fricção são regidas, respectivamente, pelos parâmetros
Provas
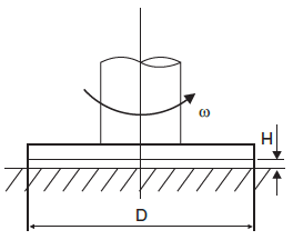
A figura abaixo representa um modelo de viscosímetro. Nesse dispositivo, o disco de diâmetro D é mantido a uma distância fixa H do suporte. O propósito do dispositivo é medir a viscosidade dinâmica de um fluido, !$ pi !$, que preenche o espaço entre o disco e o suporte, por meio da medida do torque necessário para manter o disco com velocidade angular !$ omega !$ constante.

Despreze o atrito do dispositivo, por exceção do viscoso, e suponha que o escoamento do fluido sob o suporte se encontra em regime permanente. O torque sob o viscosímetro e a unidade de medida da viscosidade dinâmica são, respectivamente,
Provas

A figura acima representa a vista superior do escoamento de um fluido incompressível e sem viscosidade por um trecho curvo, de inclinação !$ heta !$, de uma rede disposta no plano horizontal. As seções de entrada e saída possuem áreas A1 e A2, respectivamente. Determine a razão entre o esforço horizontal e o vertical, às direções x e y, respectivamente, realizado pelo trecho de curva sob o fluido. Considere que ambas as seções são expostas a pressão atmosférica e que o perfil de velocidade nessas seções é uniforme e de valores V1 e V2.
Provas

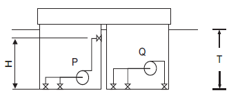
A figura acima representa duas opções de sistema de combate a alagamentos (esgoto), P e Q, de uma hipotética plataforma de petróleo que flutua com calado uniforme T. Ambas possuem a mesma capacidade de combate a alagamentos (vazão) e possuem a mesma perda de carga nas tubulações e por acessórios do sistema; entretanto, diferem na disposição da válvula de descarga. O sistema P descarrega praticamente na superfície a uma altura H de coluna de água acima da descarga da opção Q. Ao se comparar as opções P e Q, conclui-se que
Provas
Em um navio em que seja utilizado óleo combustível, os dispositivos de armazenagem, distribuição e utilização do óleo devem ser tais que assegurem a segurança do navio e das pessoas a bordo. Nesse contexto, analise as afirmativas a seguir.
I - Os tanques de óleo combustível devem, preferencialmente, fazer parte da estrutura dos navios e estar localizados fora dos compartimentos de máquinas.
II - Os óleos combustíveis, a exemplo dos óleos lubrificantes e outros óleos inflamáveis, podem ser armazenados e transportados nos tanques de colisão de vante.
III - As redes de óleo combustível devem ficar localizadas distantes de unidades de alta temperatura, tais como caldeiras, redes de vapor, coletores de descarga e silenciosos.
IV - Utilizam-se, normalmente, redes de extravasamento (ladrão) e válvulas de escape a fim de impedir que haja um excesso de pressão em qualquer tanque de óleo ou em qualquer parte do sistema de óleo combustível, inclusive nas redes de enchimento abastecidas pelas bombas de bordo.
Estão corretas, APENAS, as afirmativas
Provas

Uma barra cilíndrica sólida e de material homogêneo sob torção falha com uma superfície de ruptura que descreve uma hélice, com inclinação de 45º em relação ao eixo longitudinal, conforme a figura acima. Nessas condições, afirma-se que o
Provas
Uma barra, formada por dois cilindros de altura L e diâmetros D e 2D, é engastada em uma extremidade e tracionada por uma força P na outra.

Levando-se em conta que o material obedece a Lei de Hooke e possui módulo de elasticidade E, o valor do alongamento total da barra é dado por:
Provas
Sob a perspectiva da aplicação da Lei de Hook generalizada em um material isotrópico, a deformação em uma determinada direção é o resultado
Provas
Caderno Container